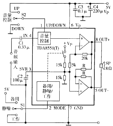
TDA8551典型应用电路
组成的lW BLT音频放大器电路图
TDA8551(T)是飞利浦公司生产的音频功率放大集成电路。可组成lwBLT音频放大器,其电路原理如图所示。当供电电源为5V.负载阻扰为8欧、输出功率为1w时.趁谐波失真率(THD)为10%。该放大器可设置三种模
式:(1)备用模式,MODE电平为4.5--5V;(2)静噪模式,MODE电平为1--3.6V;(3)常规模式.MODE电平小于0.5V。TDA8551(T)内部有过热保护装置。音量控制以64级衰减。每级衰减1.25dB,其范围为0--dBoTDA8551(T)音频放大器音量控制方为三档:(1)浮接档,其第①脚悬空.此时音量保持不变;(2)DOWN档,TDA8551(T)第①脚接地.输入负脉冲使其音量递减;(3)UP档,下DAB551(T)第①脚接+5V,输入正脉冲使其音量递增。
该放大器最大静态电流为10mA

相关热词:#TDA
稳压二极管的选用和代换
时间:2026-03-04
瞬间抑制二极管(TVS)/瞬间抑制二极管(TVS)是...
时间:2026-03-04
TVS器件的电特性有哪些
时间:2026-03-04
TVS器件的主要电参数有哪些?
时间:2026-03-04
TVS二极管的分类/应用,TVS二极管的特点/选用...
时间:2026-03-04
快恢复二极管,快恢复二极管是什么意思
时间:2026-03-04
快恢复二极管的结构/特点/检测方法
时间:2026-03-04
快恢复二极管参数大全
时间:2026-03-04
快恢复二极管的作用是什么?
时间:2026-03-04
阶跃恢复二极管,阶跃恢复二极管是什么意思
时间:2026-03-04
三相异步电动机原理
时间:2026-03-04
电风扇红外遥控器2
时间:2026-03-04
由三个接触器组成的电动机正反转控制电路图
时间:2026-03-04
电动机单线远程正反转控制电路图
时间:2026-03-04
三相异步电动机的拆装详讲
时间:2026-03-04
三相异步电动机的七种调速方式
时间:2026-03-04
USB转232电路图
时间:2026-03-04
焊机工作原理方框图
时间:2026-03-04
碰焊机的原理及种类
时间:2026-03-04
电度表的工作原理
时间:2026-03-04