dac0832应用电路图:
DAC0832引脚功能说明:
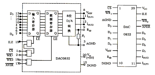
DI0~DI7:数据输入线,TLL电平。
ILE:数据锁存允许控制信号输入线,高电平有效。
CS:片选信号输入线,低电平有效。
WR1:为输入寄存器的写选通信号。
XFER:数据传送控制信号输入线,低电平有效。
WR2:为DAC寄存器写选通输入线。
Iout1:电流输出线。当输入全为1时Iout1最大。
Iout2: 电流输出线。其值与Iout1之和为一常数。
Rfb:反馈信号输入线,芯片内部有反馈电阻.
Vcc:电源输入线(+5v~+15v)
Vref:基准电压输入线(-10v~+10v)
AGND:模拟地,摸拟信号和基准电源的参考地.
DGND:数字地,两种地线在基准电源处共地比较好.
采用ADC0809实现A/D转换。
(一) D/A转换器DAC0832
DAC0832是采用CMOS工艺制成的单片直流输出型8位数/模转换器。如图4-82所示,它由倒T型R-2R电阻网络、模拟开关、运算放大器和参考电压VREF四大部分组成。运算放大器输出的模拟量V0为:
图4-82
) 成正比,这就实现了从数字量到模拟量的转换。

图4-83
D0~D7:数字信号输入端。
ILE:输入寄存器允许,高电平有效。
CS:片选信号,低电平有效。
WR1:写信号1,低电平有效。
XFER:传送控制信号,低电平有效。
WR2:写信号2,低电平有效。
IOUT1、IOUT2:DAC电流输出端。
Rfb:是集成在片内的外接运放的反馈电阻。
Vref:基准电压(-10~10V)。
Vcc:是源电压(+5~+15V)。
AGND:模拟地 NGND:数字地,可与AGND接在一起使用。
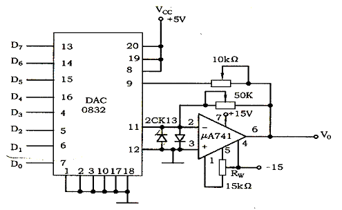
DAC0832输出的是电流,一般要求输出是电压,所以还必须经过一个外接的运算放大器转换成电压。实验线路如图4-84所示。

图4-85
IN0~IN7:8路模拟信号输入端。
A1、A2、A0 :地址输入端。ALE地址锁存允许输入信号,在此脚施加正脉冲,上升沿有效,此时锁存地址码,从而选通相应的模拟信号通道,以便进行A/D转换。
START:启动信号输入端,应在此脚施加正脉冲,当上升沿到达时,内部逐次逼近寄存器复位,在下降沿到达后,开始A/D转换过程。
EOC:转换结束输出信号(转换接受标志),高电平有效。
OE:输入允许信号,高电平有效。
CLOCK(CP):时钟信号输入端,外接时钟频率一般为640kHz。
Vcc:+5V单电源供电。 、
Vref(+),Vref(-):基准电压的正极、负极。一般Vref(+)接+5V电源,Vref(-)接地。
D7~D0:数字信号输出端。 由A2、A1、A0三地址输入端选通8路模拟信号中的任何一路进行A/D转换。
相关热词:#DA
花盆干湿报警器
时间:2026-03-04
家电红外遥控器电路图
时间:2026-03-04
简易传声门铃电路
时间:2026-03-04
戒烟警告器电路
时间:2026-03-04
煤气熄灭报警器电路
时间:2026-03-04
模拟自然风电扇电路
时间:2026-03-04
闹钟间歇电铃电路
时间:2026-03-04
能记忆的音乐门铃电路
时间:2026-03-04
敲门告知电路
时间:2026-03-04
闪烁指示灯门铃电路
时间:2026-03-04
三相异步电动机原理
时间:2026-03-04
电风扇红外遥控器2
时间:2026-03-04
由三个接触器组成的电动机正反转控制电路图
时间:2026-03-04
电动机单线远程正反转控制电路图
时间:2026-03-04
三相异步电动机的拆装详讲
时间:2026-03-04
三相异步电动机的七种调速方式
时间:2026-03-04
USB转232电路图
时间:2026-03-04
lm324比较器电路图
时间:2026-03-04
二冲程柴油机的工作原理
时间:2026-03-04
涡轮发动机的工作原理
时间:2026-03-04