高频变压器制作与技术参数
脉冲变压器也可称作开关变压器,或简单地称作高频变压器。在传统的高频变压器设计中,由于磁芯材料的限制,其工作频率较低,一般在20kHz左右。随着电源技术的不断发展,电源系统的小型化、高频化和大功率化已成为一个永恒的研究方向和发展趋势。因此,研究使用频率更高的电源变压器是降低电源系统体积、提高电源输出功率比的关键因素。
随着应用技术领域的不断扩展,开关电源的应用愈来愈广泛,但制作开关电源的主要技术和耗费主要精力就是制作开关变压器的部件。
开关变压器与普通变压器的区别大致有以下几点:
(1)电源电压不是正弦波,而是交流方波,初级绕组中电流都是非正弦波。
(2)变压器的工作频率比较高,通常都在几十赫兹,甚至高达几十万赫兹。在确定铁芯材料及损耗时必须考虑能满足高频工作的需要及铁芯中有高次谐波的影响。
(3)绕组线路比较复杂,多半都有中心抽头。这不仅增大了初级绕组的尺寸,增大了变压器的体积和重量,而且使绕组在铁芯窗口中的分布关系发生变化。
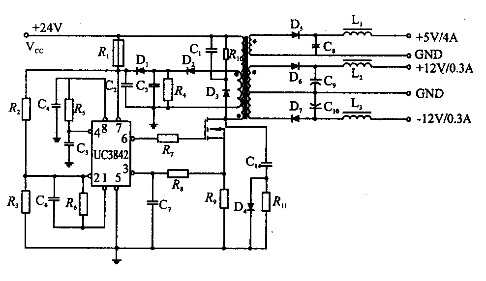
图1 开关电源原理图
本文介绍了一款如图1所示的DC—DC变换器,输入电压为直流24V,输出电压分别为5V及12V的多路直流输出。要求各路输出电流都在lA以上,核心器件是美国Unitrode公司生产的一种高性能单端输出式电流控制型脉宽调制器芯片UC3842,最高工作频率可达200kHz。根据锌锰铁氧体合金的优异电磁性能,通过具体示例介绍工作频率为100kHz的高频开关电源变压器的设计及注意事项。
2变压器磁芯的选择与工作点的确定
2.1 磁芯材料的选择
从变压器的性能指标要求可知,传统的薄带硅钢已很难满足变压器在频率、使用环境方面的设计要求。磁芯的材料只有从坡莫合金、铁氧体材料、钴基非晶态合金和超微晶合金几种材料中来考虑。坡莫合金、钴基非晶态价格高,约为铁氧体材料的数倍,而饱和磁感应强度Bs也不是很高,且加工工艺复杂。考虑到我们所要求的电源输出功率并不高,大约为30W,因此,综合几种材料的性能比较,我们还是选择了饱和磁感应强度Bs较高,温度稳定性好,价格低廉,加工方便的性价比较低的锌锰铁氧体材料,并选以此材料作为框架的EI28来绕制本例中的脉冲变压器。
2.2工作点的确定
根据相关资料,EC35输出功率为50W,饱和磁感应强度大约在2000Gs左右。买来的磁芯,由于厂家提供的磁感应强度月,值并不准确,可用图2所提供的方式粗略测试一下。将调压器接至原线圈,用示波器观察副线圈输出电压波形。将原线圈的输入电压由小到大慢慢升高,直到示波器显示的波形发生奇变。此时,磁芯已饱和,根据公式:
U=4.44fN1Φ m可推知在工频时的Φ m值。要求不高时,可根据测算出的Φ m,粗略估算出原线圈的匝数,


图2 工作点测试示意图
3 变压器主要参数的计算
本例中的变换器采用单端反激式工作方式,单端反激变换器在小功率开关电源设计中应用非常广泛,且多路输出较方便。单端反激电源的工作模式有两种:电流连续模式和电流断续模式。前者适用于较小功率,副边二极管存在没有反向恢复的问题,但MOS管的峰值电流相对较大;后者MOS管的峰值电流相对较小,但存在副边二极管的反向恢复问题,需要给二极管加吸收电路。这两种工作模式可根据实际需求来选择,本文采用了后者。
设计变压器时大多需要考虑下面问题:变换器频率f(H2);初级电压U1(V),次级电压U2(V);次级电流i2(A);绕组线路参数n1、,n2;温升τ(℃);绕组相对电压降u;环境温度τHJ(℃);绝缘材料密度γz(g/cm3)
1)根据变压器的输出功率选取铁芯,所选取的铁芯的户,值应等于或大于给定值。
2)绕组每伏匝数

ST是铁芯的截面积;kT是窗口的填充系数;
3)初级绕组电势
E1=U1(1-

4)初级绕组匝数
W1=W0El (3)
5)次级绕组电势
E2i=U2i (1+

6)次级绕组匝数
W2i=W0E2i (5)
7)初级绕组电流

8)次级绕组电流

其中,n1、n2:分别是初级绕组和次级绕组的每层匝数。
9)初级绕组线径

10)次级绕组线径

其中,j是电流密度。
详细的变压器设计方法与计算相当复杂,本文参照经验公式,依据下面的步骤设计了本例转换器中的高频变压器。
3.1 确定变压器的变比
根据输出电压U0的关系式

得变比为

式中UD为整流器输出的直流电压。
本例中UD=24V,f为100kHz,tON取0.5;n=2。
3.2 计算初级线圈中的电流
已知输出直流电压U0=±12V、5V,负载电流均为I0=lA,则输出功率
P0=P1+P2+P3=29W
开关电源的效率η一般在60~90%之间,本例取η=0.65,则输入功率为

初级的平均电流为
假定初级线圈的初始电流为零,那么,在开关管的导通期tON里,初级线圈中的电流心便从零开始线性增长到峰值I1P
3.3 计算初级绕组圈数N1
初级绕组的最小电感L1为
根据输出功率P的大小,选用适当的磁芯,其形状用环形、EI形或罐形均可,本例采用EI28,该类型的铁芯在f=50kHz时,功率可达到60W,在f=100kHz时,输出功率可达到90W。
式中Ilp—初级线圈峰值电流,A;
L1—初级电感,H;
S—磁芯截面积,mm2;
Bm—磁芯最大磁通密度,T。
3.4 计算次级绕组圈数N2

即±12V分别绕5匝,5V绕3匝。
3.5 反馈绕组N3的估算
反馈绕组匝数的确定,要求既能保证开关元件的饱和导通又不至于造成过大损耗。根据UC3842的要求,反馈绕组的输出电压应在13V左右。因此,
3.6 导线线径的选取
根据输入输出的估算,初线线圈的平均电流值应该允许达到2A。
1)初级绕组
初级绕组的线径可选d=0.80mm,其截面积为0.5027mm2的圆铜线。
2)次级绕组
次级绕组的线径可根据各组输出电流的大小,利用原级相同线径采用多股并绕的办法解决。为了方便线圈绕制,也可选用线径较粗的导线。由于工作频率较高,应考虑集肤效应的影响。
3.7 线圈绕制与绝缘
绕制开关变压器最重要的问题是想办法使初、次级线圈紧密地耦合在一起,这样可以减小变压器漏感,因为漏感过大,将会造成较大的尖峰脉冲,从而击穿开关管。因此,在绕制高频变压器线圈时,应尽量使初、次级线圈之间的距离近些。
具体可采用以下方法:
(1)双线并绕法
将初、次级线圈的漆包线合起来并绕,即所谓双线并绕。这样初、次级线间距离最小,可使漏感减小到最小值。但这种绕法不好绕制,同时两线间的耐压值较低。
(2)逐层间绕法
为克服并绕法耐压低、绕制困难的缺点,用初、次级分层间绕法,即1、3、5行奇数层绕初级绕组,2、4、6等偶数层绕次级绕组。这种绕法仍可保持初、次级间的耦合,又可在初、次级间垫绝缘纸,以提高绝缘程度。
(3)夹层式绕法
把次级绕组绕在初级绕组的中间,初级分两次绕。这种绕法只在初级绕组中多一个接头,工艺简单,便于批量生产。
本例中,为减小分布参数的影响,初级采用双线并绕连接的结构,次级采用分段绕制,串联相接的方式,即所谓堆叠绕法。降低绕组间的电压差,提高变压器的可靠性。在变压器的绝缘方面,线圈绝缘应尽量选用抗电强度高、介质损耗低的复合纤维绝缘纸,提高初、次级之间的绝缘强度和抗电晕能力,本例中,因为不涉及高压,绝缘问题不必特殊考虑。
4 结束语
绕制脉冲变压器是制作开关电源的重要工作,也是设计与制作过程中消耗大量时间和主要精力的工作。变压器做得好,整个设计与制作工作就完成了70%以上。做得不好,可能就会出现停振、啸叫或输出电压不稳、负载能力不高等现象。在变压器的温升<35℃,绕制良好的脉冲变压器的工作效率可达到90%以上,且波形质量优异,电性能参数稳定。在100kHz的使用条件下,脉冲变压器的体积可以大大减小。绕制变压器时,要尽最大的努力保证以下几点:
(1)即使输入电压最大,主开关器件导通时间最长,也不至于使变压器的磁芯饱和;
(2)初级线圈与次级线圈的耦合要好,漏电感要小;
(3)高频开关变压器会因集肤效应导致电线的电阻值增大,因而要减小电流密度。通常,工作时的最大磁通密度取决于次级线圈。

(4)一般来说,采用铁氧体磁芯E128时,要把Bm控制在3kGs以下。
相关热词:#变压
源极,什么是源极,源极是什么意思
时间:2026-03-04
摩尔定律,摩尔定律是什么意思
时间:2026-03-04
PN结,PN结是什么意思?
时间:2026-03-04
pn结原理是什么
时间:2026-03-04
pn结的形成/多晶硅中PN结是怎样形成的?
时间:2026-03-04
PN结温度传感器及测温电路原理
时间:2026-03-04
什么是PN结型温度传感器及其原理是什么?
时间:2026-03-04
PN结温度传感器工作原理是什么?
时间:2026-03-04
二极管,二极管是什么意思
时间:2026-03-04
肖特基二极管,什么是肖特基二极管,肖特基二...
时间:2026-03-04
三相异步电动机原理
时间:2026-03-04
电风扇红外遥控器2
时间:2026-03-04
由三个接触器组成的电动机正反转控制电路图
时间:2026-03-04
电动机单线远程正反转控制电路图
时间:2026-03-04
三相异步电动机的拆装详讲
时间:2026-03-04
三相异步电动机的七种调速方式
时间:2026-03-04
USB转232电路图
时间:2026-03-04
焊机工作原理方框图
时间:2026-03-04
碰焊机的原理及种类
时间:2026-03-04
电度表的工作原理
时间:2026-03-04