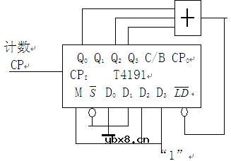
连线:电源VCC、地GND;使能端有效、M=1作减法计数;连接输出端控制预置数控制端(LD)电路如图7-3所示。

十进制余三码减法计数器(异步预置数)
由此可见,基本方法中,无论加法还是减法计数器的实现方法都一样。只要注意:在设计中正确画出状态转换图;在电路接线中区分M=0(加法)、M=1(减法)。
相关热词:#十进制
开关二极管的种类和参数有哪些?
时间:2026-03-04
开关二极管型号大全
时间:2026-03-04
PIN二极管,PIN二极管是什么意思
时间:2026-03-04
pin光电二极管原理
时间:2026-03-04
PIN光电二极管应用大全
时间:2026-03-04
PIN光电二极管的光电转换原理
时间:2026-03-04
激光二极管,激光二极管是什么意思
时间:2026-03-04
半导体激光二极管的常用参数
时间:2026-03-04
激光二极管的原理是什么?
时间:2026-03-04
激光二极管的结构及其工作原理是什么?
时间:2026-03-04
三相异步电动机原理
时间:2026-03-04
电风扇红外遥控器2
时间:2026-03-04
由三个接触器组成的电动机正反转控制电路图
时间:2026-03-04
电动机单线远程正反转控制电路图
时间:2026-03-04
三相异步电动机的拆装详讲
时间:2026-03-04
三相异步电动机的七种调速方式
时间:2026-03-04
USB转232电路图
时间:2026-03-04
焊机工作原理方框图
时间:2026-03-04
碰焊机的原理及种类
时间:2026-03-04
电度表的工作原理
时间:2026-03-04