当前位置:首页 > 电工基础 > 正文

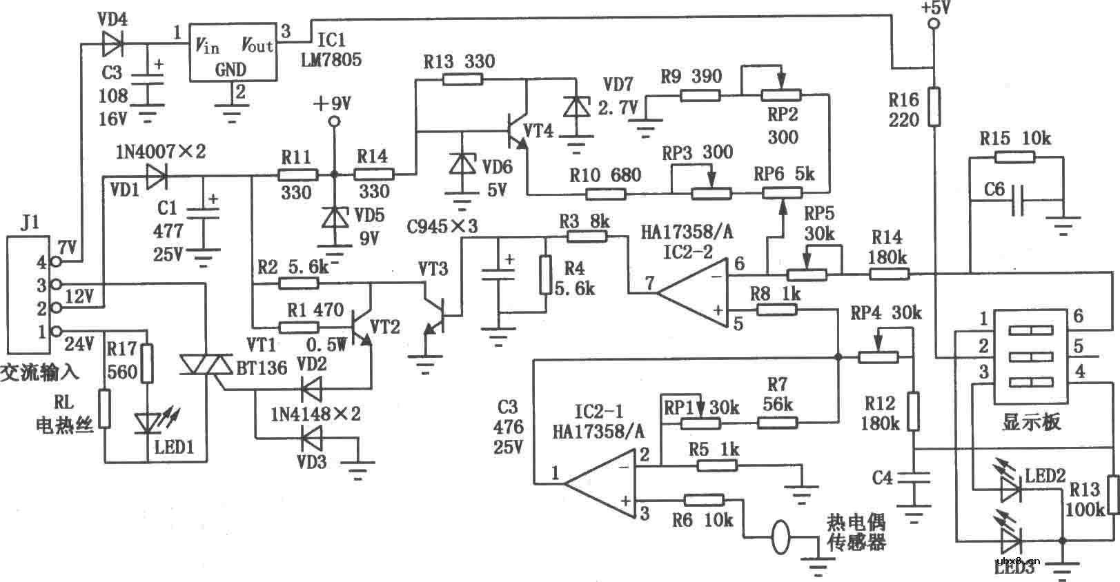
恒温烙铁电路图

来源:网络  发布者:电工基础  发布时间:2026-03-04 21:06
恒温烙铁电路图

恒温烙铁电路图

恒温烙铁电路图

相关热词:#烙铁