当前位置:首页 > 电工基础 > 正文

PLC在变频调速的应用

来源:网络  发布者:电工基础  发布时间:2026-03-04 21:09
PLC在变频调速的应用 近年来可编程序控制器(PLC)以及变频调速技术日益发展,性能价格比日益提高,并在机械、冶金、制造、化工、纺织等领域得以普及和应用。为满足温度、速度、流量等工艺变量的控制要求,常常

PLC在变频调速的应用

近年来可编程控制器(PLC)以及变频调速技术日益发展,性能价格比日益提高,并在机械、冶金、制造、化工、纺织等领域得以普及和应用。为满足温度、速度、流量等工艺变量的控制要求,常常要对这些模拟量进行控制,PLC模拟量控制模块的使用也日益广泛。

通常情况下,变频器的速度调节可采用键盘调节或电位器调节方式,但是,在速度要求根据工艺而变化时,仅利用上述两种方式则不能满足生产控制要求,因此,我们须利用PLC灵活编程及控制的功能,实现速度因工艺而变化,从而保证产品的合格率。

2、变频器简介

交流电动机的转速n公式为:

PLC在变频调速的应用

式中: f—频率;
p—极对数;
s—转差率(0~3%或0~6%)。

由转速公式可见,改变三相异步电动机电源频率,可以改变旋转磁通势的同步转速,达到调速的目的。额定频率称为基频,变频调速时,可以从基频向上调(恒功率调 速),也可以从基频向下调(恒转距调速)。因此变频调速方式,比改变极对数p和转差率s两个参数简单得多。同时还具有很好的性价比、操作方便、机械特性较 硬、静差率小、转速稳定性好、调速范围广等优点,因此变频调速方式拥有广阔的发展前景。

3、PLC模拟控制在变频调速的应用

PLC包括许多的特殊功能模块,而模拟模块则是其中的一种。它包括数模转换模块和模数转换模块。例如数模转换模块可将一定的数字量转换成对应的模拟量(电压或电流)输出,这种转换具有较高的精度。

在设计一个控制系统或对一个已有的设备进行改造时,常常会需要对电机速度进行控制,利用PLC的模拟控制模块的输出来对变频器实现速度控制则是一个经济而又简便的方法。

下面以三菱FX2N系列PLC为例进行说明。同时选择FX2N-2DA模拟模块作为对变频器进行速度控制控制信号输出。如图1所示,控制系统采用具有两路模拟量输出的模块对两个变频器进行速度控制。、

PLC在变频调速的应用

图1 对变频器进行速度控制信号输出

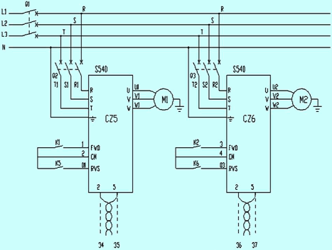
图2为变频器的控制及动力部分,这里的变频器采用三菱S540型,PLC的模拟速度控制信号由变频器的端子2、5输入。

PLC在变频调速的应用

图2 变频器的控制及动力部分接线图

3.1 系统中PLC模拟控制变频调速需要解决的主要问题

(1)模拟模块输出信号的选择

通过对模拟模块连接端子的选择,可以得到两种信号,0~10V或0~5V电压信号以及4~20mA电流信号。这里我们选择0~5V的电压信号进行控制

(2)模拟模块的增益及偏置调节

模块的增益可设定为任意值。然而,如果要得到最大12位的分辨率可使用0~4000。如图3,我们采用0~4000的数字量对应0~5V的电压输出。当然,我们可对模块进行偏置调节,例如数字量0~4000对应4~20mA时。

PLC在变频调速的应用

图3 模块的增益设定

(3)模拟模块与PLC的通讯

对于与FX2N系列PLC的连接编程主要包括不同通道数模转换的执行控制,数字控制量写入FX2N-2DA等等。而最重要的则是对缓冲存储器(BFM)的设置。通过对该模块的认识,BFM的定义如附表。

附表 BFM的定义

PLC在变频调速的应用

从附表中可以看出起作用的仅仅是BFM的#16、#17,而在程序中所需要做的则是根据实际需要给予BFM中的#16和#17赋予合适的值。其中:

#16为输出数据当前值。
#17:b0:1改变成0时,通道2的D/A转换开始。
b1:1改变成0时,通道1的D/A转换开始。

(4)控制系统编程

对于上例控制系统的编写程序如图4所示。

PLC在变频调速的应用

图4 控制系统编程

在程序中:

1) 当M67、M68常闭触点以及Y002常开触点闭合时,通道1数字到模拟的转换开始执行;当M62、M557常闭触点以及Y003常开触点闭合时,通道2数字到模拟的转换开始执行。

2) 通道1

  • 将保存第一个数字速度信号的D998赋予辅助继电器(M400~M415);
  • 将数字速度信号的低8位(M400~M407)赋予BFM的16#;
  • 使BFM#17的b2=1;
  • 使BFM#17的b2由1→0,保持低8位数据;
  • 将数字速度信号的高4位赋予BFM的16#;
  • 使BFM#17的b1=1;
  • 使BFM#17的b1由1→0,执行通道1的速度信号D/A转换。

3) 通道2

  • 将保存第二个数字速度信号的D988赋予辅助继电器(M300~M315);
  • 将数字速度信号的低8位(M300~M307)赋予BFM的16#;
  • 使BFM#17的b2=1;
  • 使BFM#17的b2由1→0,保持低8位数据;
  • 将数字速度信号的高4位赋予BFM的16#;
  • 使BFM#17的b0=1;
  • 使BFM#17的b0由1→0,执行通道2的速度信号D/A转换。

4) 程序中的K0为该数模转换模块的位置地址,在本控制系统中只用了一块模块,因此为K0,假如由于工艺要求控制系统还要再增加一块模块,则新增模块在编程时只要将K0改为K1即可。

(5)变频器主要参数的设置

根据控制要求,设置变频器的运行模式为外部运行模式,运行频率为外部运行频率设定方式,Pr.79=2;模拟频率输入电压信号为0~5V,所以,Pr.73=0;其余参数根据电机功率、额定电压、负载等情况进行设定。

3.2 注意事项

(1) FX2N-2DA采用电压输出时,应将IOUT与COM短路;
(2) 速度控制信号应选用屏蔽线,配线安装时应与动力线分开。

4、结束语

上述控制在实际使用过程中运行良好,很好的将PLC易于编程与变频器结合起来,当然不同的可编程序控制器的编程和硬件配置方法也不同,比如罗克韦尔PLC在 增加D/A模块时,只要在编程环境下的硬件配置中添加该模块即可。总之,充分利用PLC模拟量输出功能可以控制变频器从而控制设备的速度,满足生产的需 要。

相关热词:#变频