反相比例放大电路
集成运算放大器按照输入方式可以分为同相、反相、差分三种接法,按照输入电压
与输出电压的运算关系可以分为比例、加法、减法、积分、微分等,输入方式和运算关系组
合起来,可以构成各种运算放大器。
1. 反相接法
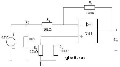
(1)反相比例放大电路(图3.8a.1)的输入信号从运算放大器的反相输入端引入,输
出信号与输入信号反相,并按比例放大为

式中A0为运算放大器的开环电压放大倍数, rid为差模输入电阻。在开环电压放大倍数
及差模输入电阻极大的条件下,可把运算放大器看作是理想的,则上式可以简化为
电压放大倍数

集成运算放大器的输入级是由差动放大电路组成,它要求反相和同相输入端的外电阻相
等,因此要在同相输入端接入平衡电阻


图3.8a.1 反相比例放大电路
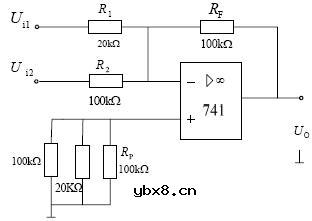
(2)反相加法运算电路(图3.8a.2)为若干个输入信号从集成运放的反相输入端引入,输
出信号为它们反相按比例放大的代数和。


图3.8a.2 反相加法电路
相关热词:#反相
东芝牌RAC-45NHE型空调机电路图
时间:2026-03-04
杜鹃牌XPB2-3型洗衣机电路图
时间:2026-03-04
干衣机电路图
时间:2026-03-04
古桥牌KC-30DE型牌窗式空调机电路图
时间:2026-03-04
好乐牌KC-42R型窗式空调机电路图
时间:2026-03-04
佳乐牌KCS-12型窗式空调机电路图
时间:2026-03-04
江南牌KC-20型窗式空调器电路图
时间:2026-03-04
江南牌KCD-31型窗式空调器电路图
时间:2026-03-04
金羚牌XQB30-5型全自动洗衣机电路图
时间:2026-03-04
日产AW B310B型洗衣机控制器电路图
时间:2026-03-04
三相异步电动机原理
时间:2026-03-04
电度表的工作原理
时间:2026-03-04
三相异步电动机的拆装详讲
时间:2026-03-04
三相异步电动机的七种调速方式
时间:2026-03-04
电风扇红外遥控器2
时间:2026-03-04
由三个接触器组成的电动机正反转控制电路图
时间:2026-03-04
电动机单线远程正反转控制电路图
时间:2026-03-04
USB转232电路图
时间:2026-03-04
东芝牌RAC-45NHE型空调机电路图
时间:2026-03-04
农用自动供水器原理图
时间:2026-03-04