固态继电器原理及选型
固态继电器的内部原理:
1.光耦---可控硅
2.双光耦---双可控硅
3.光耦---双向可控硅
固态继电器(Solid State Relays,缩写SSR)是一种无触点电子开关,由分立元器件、膜固定电阻网络和芯片,采用混合工艺组装来实现控制回路(输入电路)与负载回路(输出电路)的电隔离及信号耦合,由固态器件实现负载的通断切换功能,内部无任何可动部件。尽管市场上的固态继电器型号规格繁多,但它们的工作原理基本上是相似的。主要由输入(控制)电路,驱动电路和输出(负载)电路三部分组成。
固态继电器的输入电路是为输入控制信号提供一个回路,使之成为固态继电器的触发信号源。固态继电器的输入电路多为直流输入,个别的为交流输入。直流输入电路又分为阻性输入和恒流输入。阻性输入电路的输入控制电流随输入电压呈线性的正向变化。恒流输入电路,在输入电压达到一定值时,电流不再随电压的升高而明显增大,这种继电器可适用于相当宽的输入电压范围。
固态继电器的驱动电路可以包括隔离耦合电路、功能电路和触发电路三部分。隔离耦合电路,目前多采用光电耦合器和高频变压器两种电路形式。常用的光电耦合器有光-三极管、光-双向可控硅、光-二极管阵列(光-伏)等。高频变压器耦合,是在一定的输入电压下,形成约10MHz的自激振荡,通过变压器磁芯将高频信号传递到变压器次级。功能电路可包括检波整流、过零、加速、保护、显示等各种功能电路。触发电路的作用是给输出器件提供触发信号。
固态继电器的输出电路是在触发信号的控制下,实现固态继电器的通断切换。输出电路主要由输出器件(芯片)和起瞬态抑制作用的吸收回路组成,有时还包括反馈电路。目前,各种固态继电器使用的输出器件主要有晶体三极管(Transistor)、单向可控硅(Thyristor或SCR)、双向可控硅(Triac)、MOS场效应管(MOSFET)、绝缘栅型双极晶体管(IGBT)等。
固态继电器选型
直流固态继电器的控制电压范围通常为3.6~7V,其输入电流典型值为7mA左右,可与TTL电路兼容。输入可与CMOS电路兼容的固态继电器,其输入电流一般不超过250μA,但需加偏置电压。
固态继电器的输出电压通常是指加至继电器输出端的稳态电压。而瞬态电压则是指继电器输出端可以承受的最大电压。在使用中,一定要保证加至继电器输出端的最大电压峰值低于继电器的瞬态电压值。在切换交流感性负载、单相电机和三相电机负载,或这些负载电路上电时,继电器输出端可能出现两倍于电源电压峰值的电压。对于此类负载,选型时应给固态继电器的输出电压留出一定余量。
对于感性负载和容性负载,当交流固态继电器在关断时,有较大的dv/dt (电压指数上升率)加至继电器输出端,为此应选用dv/dt较高的固态继电器。
固态继电器的输出电流通常是指流经继电器输出端的稳态电流。但是由于感性负载、容性负载引起的浪涌电流问题以及电源自身的浪涌电流问题,在选型时应当给固态继电器的输出电流留出一定余量。
SSR固态继电器以触发形式,可分为零压型(Z)和调相型(P)两种。在输入端施加合适的控制信号VIN时,P型SSR立即导通。当VIN撤销后,负载电流低于双向可控硅维持电流时(交流换向),SSR关断。
Z型SSR内部包括过零检测电路,在施加输入信号VIN时,只有当负载电源电压达到过零区时,SSR才能导通,并有可能造成电源半个周期的最大延时。Z型SSR关断条件同P型,但由于负载工作电流近似正弦波,高次谐波干扰小,所以应用广泛。
先锋公司电子厂SSR由于采用输出器件不同,有普通型(S,采用双向可控硅元件)和增强型(HS,采用单向可控硅元件)之分。当加有感性负载时,在输入信号截止t1之前,双向可控硅导通,电流滞后电源电压90O(纯感时)。t1时刻,输入控制信号撤销,双向可控硅在小于维持电流时关断(t2),可控硅将承受电压上升率dv/dt很高的反向电压。这个电压将通过双向可控硅内部的结电容,正反馈到栅极。如果超过双向可控硅换向dv/dt指标(典型值10V/ s,将引起换向恢复时间长甚至失败。
单向可控硅(增强型SSR)由于处在单极性工作状态,此时只受静态电压上升率所限制(典型值200V/ s),因此增强型固态继电器HS系列比普通型SSR的换向dv/dt指标提高了5 20倍。由于采用两只大功率单向可控硅反并联,改变了电流分配和导热条件,提高了SSR输出功率。
增强型SSR在大功率应用场合,无论是感性负载还是阻性负载,耐电压、耐电流冲击及产品的可靠性,均超过普通固态继电器,并达到了进口产品的基本指标,是替代普通固态继电器的更新产品。
固态继电器的应用
S系列固态继电器,HS系列增强型固态继电器、可以广泛用于:计算机外围接口装置,恒温器和电阻炉控制、交流电机控制、中间继电器和电磁阀控制、复印机和全自动洗衣机控制、信号灯交通灯和闪烁器控制、照明和舞台灯光控制、数控机械遥控系统、自动消防和保安系统、大功率可控硅触发和工业自动化装置等。在应用中需要考虑下述问题。
固态继电器的原理及结构 SSR按使用场合可以分成交流型和直流型两大类,它们分别在交流或直流电源上做负载的开关,不能混
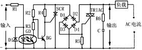
下面以交流型的SSR为例来说明它的工作原理,图1是它的工作原理框图,图1中的部件①-④构成交流SSR的主体,从整体上看,SSR只有两个输入端(A和B)及两个输出端(C和D),是一种四端器件。工作时只要在A、B上加上一定的控制信号,就可以控制C、D两端之间的“通”和“断”,实现“开关”的功能,其中耦合电路的功能是为A、B端输入的控制信号提供一个输入/输出端之间的通道,但又在电气上断开SSR中输入端和输出端之间的(电)联系, 以防止输出端对输入端的影响,耦合电路用的元件是“光耦合器”,它动作灵敏、响应速度高、输入/输出端间的绝缘(耐压)等级高;由于输入端的负载是发光二极管,这使SSR的输入端很容易做到与输入信号电平相匹配,在使用可直接与计算机输出接口相接,即受“1”与“0”的逻辑电平控制。触发电路的功能是产生合乎要求的触发信号,驱动开关电路④工作,但由于开关电路在不加特殊控制电路时,将产生射频干扰并以高次谐波或尖峰等污染电网,为此特设“过零控制电路”。所谓“过零”是指,当加入控制信号,交流电压过零时,SSR即为通态;而当断开控制信号后,SSR要等待交流电的正半周与负半周的交界点(零电位)时,SSR才为断态。这种设计能防止高次谐波的干扰和对电网的污染。吸收电路是为防止从电源中传来的尖峰、浪涌(电压)对开关器件双向可控硅管的冲击和干扰(甚至误动作)而设计的,一般是用“R-C”串联吸收电路或非线性电阻(压敏电阻器)。图2是一种典型的交流型SSR的电原理图。


直流型的SSR与交流型的SSR相比,无过零控制电路,也不必设置吸收电路,开关器件一般用大功率开关三极管,其它工作原理相同。不过,直流型SSR在使用时应注意:①负载为感性负载时,如直流电磁阀或电磁铁,应在负载两端并联一只二极管,极性如图3所示,二极管的电流应等于工作电流,电压应大于工作电压的4倍。②SSR工作时应尽量把它靠近负载,其输出引线应满足负荷电流的需要。③使用电源属经交流降压整流所得的,其滤波电解电容应足够大。图4 给出了几种国内、外常见的SSR的外形。
二、固态继电器的特点 SSR成功地实现了弱信号(Vsr)对强电(输出端负载电压)的控制。由于光耦合器的应用,使控制信号所需的功率极低(约十余毫瓦就可正常工作),而且Vsr所需的工作电平与TTL、HTL、CMOS等常用集成电路兼容,可以实现直接联接。这使SSR在数控和自控设备等方面得到广泛应用。在相当程度上可取代传统的“线圈—簧片触点式”继电器(简称“MER”)。 SSR由于是全固态电子元件组成,与MER相比,它没有任何可动的机械部件,工作中也没有任何机械动作;SSR由电路的工作状态变换实现“通”和“断”的开关功能,没有电接触点,所以它有一系列MER不具备的优点,即工作高可靠、长寿命(有资料表明SSR的开关次数可达108-109次,比一般MER的106高几百倍);无动作噪声;耐振耐机械冲击;安装位置无限制;很容易用绝缘防水材料灌封做成全密封形式,而且具有良好的防潮防霉防腐性能;在防爆和防止臭氧污染方面的性能也极佳。这些特点使SSR可在军事(如飞行器、火炮、舰船、车载武器系统)、化工、井下采煤和各种工业民用电控设备的应用中大显身手,具有超越MER的技术优势。交流型SSR由于采用过零触发技术,因而可以使SSR安全地用在计算机输出接口上,不必为在接口上采用MER而产生的一系列对计算机的干扰而烦恼。此外,SSR还有能承受在数值上可达额定电流十倍左右的浪涌电流的特点。表1 参数名称(单位) 参数值 最小 典型 最大 输入端直流控制电压(V) 3.2 14 输入电流(mA) 20 接通电压(V) 3.2 关断电压(V) 1.5 反极向保护电压(V) 15 绝缘电阻(Ω) 109 介质耐压(V) 1500 输出端额定输出电压(V) 25 250 额定输出电流(A) 10 浪涌电流(A) 100 过零电压(V) ±15 输出压降(V) 2.0 输出漏电流(mA) 10 接通电间(mS) 10 关断时间(mS) 10 工作频率(Hz) 47 70 功率损耗(W) 1.5 关断dV/dt(V/μs) 200 晶闸管结温℃ 110 工作温度(℃) -20 +80
三、主要参数与选用 功率固态继电器的特性参数包括输入和输出参数,下面以北京科通继电器总厂生产的GX-10F继电器为例,列出输入、输出参数,详见表1,根据输入电压参数值大小,可确定工作电压大小。如采用TTL或CMOS等逻辑电平控制时,最好采用有足够带载能力的低电平驱动,并尽可能使“0”电平低于0.8 V。如在噪声很强的环境下工作,不能选用通、断电压值相差小的产品,必需选用通、断电压值相差大的产品,(如选接通电压为8 V或12 V的产品)这样不会因噪声干扰而造成控制失灵 。输出参数的项目较多,现对主要几个参数说明如下: 1、额定输入电压它是指定条件下能承受的稳态阻性负载的最大允许电压有效值。如果受控负载是非稳态或非阻性的,必需考虑所选产品是否能承受工作状态或条件变化时(冷热转换、静动转换、感应电势、瞬态峰值电压、变化周期等) 所产生的最大合成电压。例如负载为感性时,所选额定输出电压必须大于两倍电源电压值,而且所选产品的阻断(击穿)电压应高于负载电源电压峰值的两倍。如在电源电压为交流220V、一般的小功率非阻性负载的情况下,建议选用额定电压为400V—600V的SSR产品;但对于频繁启动的单相或三相电机负载,建议选用额定电压为660V—800V的SSR产品。 2、额定输出电流和浪涌电流额定输出电流是指在给定条件下(环境温度、额定电压、功率因素、有无散热器等)所能承受的电流最大的有效值。一般生产厂家都提供热降额曲线。如周围温度上升,应按曲线作降额使用。浪涌电流是指在给定条件下(室温、额定电压、额定电流和持续的时间等)不会造成永久性损坏所允许的最大非重复性峰值电流。交流继电器的浪涌电流为额定电流的5-10倍(一个周期),直流产品为额定电流的1.5-5倍(一秒)。在选用时,如负载为稳态阻性,SSR可全额或降额10%使用。对于电加热器、接触器等,初始接通瞬间出现的浪涌电流可达3倍的稳态电流,因此,SSR降额20%-30%使用。对于白织灯类负载,SSR应按降额50%使用,并且还应加上适当的保护电路。对于变压器负载,所选产品的额定电流必须高于负载工作电流的两倍。对于负载为感应电机,所选SSR的额定电流值应为电机运转电流的2—4倍,SSR的浪涌电流值应为额定电流的10倍。固态继电器对温度的敏感性很强,工作温度超过标称值后,必须降热或外加散热器,例如额定电流为10A的JGX—10F产品,不加散热器时的允许工作电流只有10A。
四、应用电路 1、基本单元电路如图5a所示为稳定的阻性负载,为了防止输入电压超过额定值,需设置一限流电阻Rx;当负载为非稳定性负载或感性负载时,在输出回路中还应附加一个瞬态抑制电路,如图5b所示,目的是保护固态继电器。通常措施是在继电器输出端加装RC吸收回路(例如:R=150 Ω,C=0.5 μF或R=39 Ω,C=0.1 μF),它可以有效的抑制加至继电器的瞬态电压和电压指数上升率dv/dt。在设计电路时,建议用户根据负载的有关参数和环境条件,认真计算和试验RC回路的选值。另一个常用的措施是在继电器输出端接入具有特定钳位电压的电压控制器件,如双向稳压二极管或压敏电阻(MOV)。压敏电阻电流值应按下式计算: Imov=(Vmax-Vmov)/ZS 其中ZS为负载阻抗、电源阻抗以及线路阻抗之和,Vmax、Vmov分别为最高瞬态电压、压敏电阻的标称电压,对于常规的220V和380V的交流电源,推荐的压敏电阻的标称电压值分别为440-470V和760-810V。在交流感性负载上并联RC电路或电容,也可抑制加至SSR输出端的瞬态电压和电压指数上升率。但实验表明,RC吸收回路,特别是并联在SSR输出端的RC吸收回路,如果和感性负载组合不当,容易导致振荡,在负载电源上电或继电器切换时,加大继电器输出端的瞬变电压峰值,增大SSR误导通的可能性,所以,对具体应用电路应先进行试验,选用合适的RC参数,甚至有时不用RC吸收电路更有利。对于容性负载引起的浪涌电流可用感性元件抑制,如在电路中引入磁干扰滤波器、扼流圈等,以限制快速上升的峰值电流。另外,如果输出端电流上升变化率(di/dt)很大,可以在输出端串联一个具有高磁导率的软化磁芯的电感器加以限制。


3、用计算机控制电机正反转的接口及驱动电路图7计算机控制单相交流电机正反转的接口及驱动电路,在换向控制时,正反转之间的停滞时间应大于交流电源的1.5个周期(用一个“下降沿延时”电路来完成),以免换向太快而造成线间短路。电路中继电器要选用阻断电压高于600 V和额定电压为380 V以上的交流固态继电器。

图7 计算机控制单相交流电机正反转的接口及驱动电路为了限制电机换向时电容器的放电电流,应在各回路中外加一只限流电阻Rx,其阻值和功率可按下式计算: Rx=0.2×VP/IR(Ω), P=Im2Rx 其中:VP—电源峰值电压(V);IR—固态继电器额定电流(A);Im—电机运转电流(A);P—限流电阻功率(W)
图8 计算机控制三相交流电机正反转的接口及驱动电路图8计算机控制三相交流电机正反转的接口及驱动电路,图中采用了4个与非门,用二个信号通道分别控制电动机的起动、停止和正转、反转。当改变电动机转动方向时,给出指令信号的顺序应是“停止—反转—起动”或“停止—正转—起动”。延时电路的最小延时不小于1.5个交流电源周期。其中RD1、RD2、RD3为熔断器。当电机允许时,可以在R1-R4位置接入限流电阻,以防止当万一两线间的任意二只继电器均误接通时,限制产生的半周线间短路电流不超过继电器所能承受的浪涌电流,从而避免烧毁继电器等事故,确保安全性;但副作用是正常工作时电阻上将产生压降和功耗。该电路建议采用额定电压为660 V或更高一点的SSR产品。
五、结束语
由前述可以看到SSR的性能与电磁式继电器相比有着很多的优越性,特别易于实现计算机的编程控制,因此使得控制的实现更加方便、灵活。但它也存在一些弱点,如:导通电阻(几Ω—几十Ω)、通态压降(小于2 V)、断态漏电流(5—10mA)等的存在,易发热损坏;截止时存在漏电阻,不能使电路完全分开;易受温度和辐射的影响,稳定性差;灵敏度高,易产生误动作;在需要联锁、互锁的控制电路中,保护电路的增设,使得成本上升、体积增大。因此,对于SSR具有的独特性能,必须正确的理解和谨慎使用,方能发挥其独特的性能,并确保SSR无故障的工作。
东芝牌RAC-45NHE型空调机电路图
时间:2026-03-04
杜鹃牌XPB2-3型洗衣机电路图
时间:2026-03-04
干衣机电路图
时间:2026-03-04
古桥牌KC-30DE型牌窗式空调机电路图
时间:2026-03-04
好乐牌KC-42R型窗式空调机电路图
时间:2026-03-04
佳乐牌KCS-12型窗式空调机电路图
时间:2026-03-04
江南牌KC-20型窗式空调器电路图
时间:2026-03-04
江南牌KCD-31型窗式空调器电路图
时间:2026-03-04
金羚牌XQB30-5型全自动洗衣机电路图
时间:2026-03-04
日产AW B310B型洗衣机控制器电路图
时间:2026-03-04
瞬间抑制二极管(TVS)/瞬间抑制二极管(TVS)是...
时间:2026-03-04
常用整流二极管型号大全
时间:2026-03-04
S/HS固态继电器原理简介
时间:2026-03-04
稳压二极管的选用和代换
时间:2026-03-04
TVS器件的电特性有哪些
时间:2026-03-04
TVS二极管的分类/应用,TVS二极管的特点/选用...
时间:2026-03-04
快恢复二极管,快恢复二极管是什么意思
时间:2026-03-04
PN结温度传感器工作原理是什么?
时间:2026-03-04
双向二极管起什么作用?
时间:2026-03-04
半导体材料的主要种类有哪些?
时间:2026-03-04