全桥驱动器UBA2030T原理图和应用知识
1前言
飞利浦公司利用“BCD750功率逻辑工艺方法”制造的UBA2030T,是为驱动全桥拓扑结构中的功率MOSFET而专门设计的高压IC。UBA2030T只需用很少量的外部元件,即可组成高强度放电(HID)灯电子镇流器电路,并且为HID灯驱动电路的设计提供了解决方案。
2封装、内部结构及引脚功能
UBA2030T采用24脚SO封装,顶视图如图1所示。
UBA2030T芯片集成了自举二极管、振荡器、高压和低压电平移相器、高端(左、右)和低端(左、右)驱动器及控制逻辑等电路,其内部结构框图如图2所示。
表1列出了UBA2030T的引脚功能。
2主要参数及特点
2.1主要参数
UBA2030T的主要参数及参考数据如表2所列。
2.2主要特点

图1SO24封装顶视图
UBA2030T的主要特点如下:
内置自举二极管,用作驱动全桥电路可使外部元件减少到最低限度;
高压输入直达570V,为驱动内部电路和全桥

图2UBA2030T的内部结构框图
表1引脚功能
| 脚号 | 符号 | 功能描述 |
|---|---|---|
| 1 | GLR | 低端右边MOSFET的栅极驱动器输出 |
| 2 | PGND | 低端左、右MOSFET的源极功率地 |
| 3 | GLL | 低端左边MOSFET的栅极驱动器输出 |
| 4,6,9,16,17,19 | n.c. | 不连接 |
| 5 | RC | 内部振荡器RC输入 |
| 7 | BE | 控制输入使能 |
| 8 | BER | 桥路参考输入使能 |
| 10 | FSL | 浮置电源电压左边输出 |
| 11 | GHL | 高端左边MOSFET栅极驱动器输出 |
| 12 | SHL | 高端左边MOSFET源极 |
| 13 | SHR | 高端右边MOSFET源极 |
| 14 | GHR | 高端右边MOSFET栅极驱动器输出 |
| 15 | FSR | 浮置电源电压右边输出 |
| 18 | HV | 高压电源输入 |
| 20 | EXO | 外部振荡器输入 |
| 21 | SD | 关闭输入 |
| 22 | DTC | 死区时间控制输入 |
| 23 | VDD | 内部(低压)电源 |
| 24 | SGND | 信号地 |
表2主要参数及参考数据
全桥驱动器UBA2030T及其应用
表2主要参数及参考数据 符号 参数 条件 最小值 典型值 最大值 单位
高压
VHV 高压电源(电压) 0 - 570 V
启动(经脚HV施加)
Istrtu 启动电流 - 0.7 1.0 mA
Vth(osc,strt) 启动振荡门限电压 在fbridge=500Hz下,无载 14.0 15.5 17.0 V
Vth(osc,strt) 停止振荡门限电压 在fbridge=500Hz下,无载 11.5 13.0 14.5 V
输出驱动器
Io(source) 输出源电流 VDD=VFSL=VFSR=15VVGHR=VGHL=VGLR=VGLL=0V 140 190 240 mA
Io(sink) 输出灌电流 VDD=VFSL=VFSR=15VVGHR=VGHL=VGLR=VGLL=15V 200 260 320 mA
内部振荡器
fbridge 桥路振荡器频率 EXQ脚连接到SGND 50 - 50000 Hz
外部振荡器
fosc(ext) 外部振荡器频率 RC脚连接到SGNDfbridge=fosc(ext)/2 100 - 100000 Hz
死区时间
tdead 死区时间控制范围(外部可调) 0.4 - 4 μs
桥路使能
IIH 高电平输入电流 使能激活 100 - 700 μA
IIL 低电平输入电流 使能堵塞 0 - 20 μA
关闭
VIH 高电平输入电压 关闭激活:1ΔVSD/Δt1>5V/ms 4.5 - VDD? V
VIL 低电平输入电压 关闭阻塞:1ΔVSD/Δt1>5V/ms 0 - 0.5 V
II(SD) 输入电流 0 - 50 μA
?VDD范围:0V~18V
中的MOSFET,IC提供自己产生的低电源电压;
利用在DTC脚和SGND脚之间连接的电阻器RDT来设定死区时间tdead,并且RDT=270tdead-70,RDT(min)=50kΩ,RDT(max)=1MΩ(RDT的单位为kΩ时,tdead的单位为μs);
振荡器频率可调,当使用内部振荡器时,桥路(bridge)频率可利用外部电阻器ROSC和电容器COSC设定:fbridge=1/(2×8×ROSC×COSC),并要求ROSC=200kΩ~2MΩ;
内置PMOS高压移相器,以控制桥路使能功能;
具有关闭功能,只要在SD脚上的输入达到4.5V,全桥中的4只MOSFET则被关断。
3应用介绍
UBA2030T典型应用主要是在高压的(HPS)灯和金属卤灯这类HID灯电子镇流器电路中作为全桥驱动器。
3.1基本应用电路
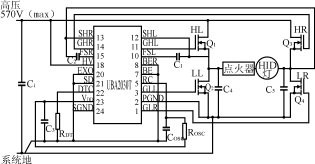
用UBA2030T作驱动器和HID灯为负载的全桥基本拓扑结构如图3所示。在这个应用电路中,

图3UBA2030T作驱动器、HID灯为负载的全桥基本电路

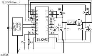
图4带外部控制电路的HID灯全桥拓扑结构

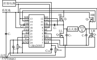
图5控制电路以桥路高端作参考的HID灯驱动器电路
图6用低压DC电源为内部电路
提供电流的HID灯全桥驱动器电路
BER脚、BE脚、EXO脚和SD脚都接系统地,没有使用桥路使能和关闭功能。当使用内部振荡器时,桥路换向频率由ROSC和COSC的取值决定。当HV施加电压超过振荡触发门限(典型值是15.5V)时,振荡器开始振荡。如果在HV脚上的电压降至振荡器停止门限(典型值是13V)电压,IC将重新进入启动状态。
一旦IC开始正常工作,在功率开关HL(Q1)和LR(Q4)导通时,HR(Q3)和LL(Q2)则截止;当HR(Q3)和LL(Q2)导通时,HL(Q1)和LR(Q4)则截止。UBA2030T提供的换向逻辑,保证了在HID灯中能产生交变电流。
HID灯的启动需要施加一个3kV~10kV的高压脉冲。由带负阻特性的触发元件、电容器和升压线圈等组成的点火器电路,在通电之后能产生足够使HID灯击穿的高电压,使灯引燃。为防止HID灯出现“声共振”现象,导致电弧不稳,烧坏灯管,对于HID灯驱动电路,往往还要采取“声共振”抑制措施。
3.2带外部振荡器控制的应用电路
图4示出的是带外部振荡器控制电路的HID灯全桥拓扑结构。在该应用电路中,UBA2030T的RC脚、BER脚和BE脚连接系统地,桥路换向频率由外部振荡器决定,关闭输入脚(SD脚)可以用作关断全桥电路中的全部MOSFET。
3.3控制电路以桥路高端作参考的HID灯全桥驱动器电路
UBA2030T在驱动HID灯全桥系统中作为换向器元件使用。HID灯的使用寿命依赖于通过石英壁的钠迁移量。为使钠迁移比率减至最小,HID灯以系统地为参考时,必须在负压下工作。图5示出的是控制单元以桥路高端作参考的HID灯全桥驱动器电路。在该应用电路中,BER脚和HV脚都连接到系统地。
图6所示的以桥路高端作为参考的又一种HID灯全桥驱动电路。BER脚连接系统地,通过HV脚流入IC内部低压电路的电流可以由低压DC电源(如电池)提供,如图6中虚线所示。RDT的数值在50kΩ与1000kΩ之间。当RDT=220KΩ时,死区时间tdead是1μs.
在任何应用中,在IC脚HV上的电压不能低于在VDD脚上的电压。否则,不论是在启动状态还是进入正常工作期间,全桥都不会正确工作。在启动阶段,IC的EXO脚和SD脚都应处于低电平。在EXO脚和SD脚的电压为时间函数时,其变化速率应大于5V/ms。
东芝牌RAC-45NHE型空调机电路图
时间:2026-03-04
杜鹃牌XPB2-3型洗衣机电路图
时间:2026-03-04
干衣机电路图
时间:2026-03-04
古桥牌KC-30DE型牌窗式空调机电路图
时间:2026-03-04
好乐牌KC-42R型窗式空调机电路图
时间:2026-03-04
佳乐牌KCS-12型窗式空调机电路图
时间:2026-03-04
江南牌KC-20型窗式空调器电路图
时间:2026-03-04
江南牌KCD-31型窗式空调器电路图
时间:2026-03-04
金羚牌XQB30-5型全自动洗衣机电路图
时间:2026-03-04
日产AW B310B型洗衣机控制器电路图
时间:2026-03-04
瞬间抑制二极管(TVS)/瞬间抑制二极管(TVS)是...
时间:2026-03-04
常用整流二极管型号大全
时间:2026-03-04
S/HS固态继电器原理简介
时间:2026-03-04
稳压二极管的选用和代换
时间:2026-03-04
TVS器件的电特性有哪些
时间:2026-03-04
TVS二极管的分类/应用,TVS二极管的特点/选用...
时间:2026-03-04
快恢复二极管,快恢复二极管是什么意思
时间:2026-03-04
PN结温度传感器工作原理是什么?
时间:2026-03-04
双向二极管起什么作用?
时间:2026-03-04
半导体材料的主要种类有哪些?
时间:2026-03-04