这里介绍的报警器无需外接传需线路,靠电力线路传需报警信号。并可设置多处报警点以对某点警情进行声、光报警。用途广泛。
工作原理:
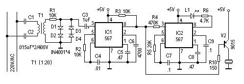
该报警器由发射和接收显示两部分组成。反射电路原理如图1所示。它是由两块555时基电路组成的两个不同频率的振荡电路当CK两端短路时(短路式报警探头信号),第一块(IC1)555构成低频振荡电路,频率F1主要由C1、R2决定,3脚输出频率为F1的低频信号当IC1的3脚输出高电平时,第二块(IC2)555构成的高频振荡电路工作,其振荡频率F2主要由C3、R4决定,且F2远大于F1,这样在IC2的3脚输出为F2的脉冲调制信号。该调制信号通过由V1、T、C5、C6组成的驱动电路在电力线上产生高频调制脉冲,高频调制脉冲电压由传输距离选择。

元件选择及电路调整:

图1和图2中的升压变压器采用小型音频变压器,其匝比为1:20。图1中的驱动管V1选用BU506功率开关管(输出电流为500mA)。图1的C5、C6和图2的C1、C2必须选用耐压值大于400V的电容器。图1中的CK用于连接报警探头;HD选用电压为5V的成品蜂鸣器。
由于整机电路与电力线连接,在调整发射电路的频率和接收电路的频率接调时应特别注意安全。该报警器仅适用于电力线在同一个变压器的范围,此时传输距离可到3Km。
相关热词:#遥控
4通道红外遥控继电器电路,4 channel infrar...
时间:2026-03-07
实验用的数字电位器电路,The experimenter&...
时间:2026-03-07
Centrifugal fish autofeeder
时间:2026-03-07
太阳能邮箱项目电路,Solar Mailbox projec
时间:2026-03-07
双臂整流模块三相全波整流电路原理图
时间:2026-03-07
整流桥式模块三相桥式整流电路图
时间:2026-03-07
带灯反相器原理及电路图
时间:2026-03-07
带动辉光数码管的电子继电路图
时间:2026-03-07
二极管/晶体管与非门电路原理图
时间:2026-03-07
二极管与门译码电路图(二)
时间:2026-03-07
彩灯电路
时间:2026-03-05
三相异步电动机原理
时间:2026-03-04
三相异步电动机的七种调速方式
时间:2026-03-04
转角测量电路
时间:2026-03-05
经典的正弦波发生电路
时间:2026-03-05
电度表的工作原理
时间:2026-03-04
电风扇红外遥控器2
时间:2026-03-04
电动机单线远程正反转控制电路图
时间:2026-03-04
三相异步电动机的拆装详讲
时间:2026-03-04
USB转232电路图
时间:2026-03-04