苹果本周四宣布iPhone OS 4
当地时间周一,苹果已经向多家媒体发出邀请函,邀请媒体参加定于4月8日星期四举行的新一代iPhone OS预览发布会。此次发布会将于美国西部时间周四上午10点(北京时间周五凌晨1点)在苹果公司美国加州Cupertino总部的Town Hall大厅举行。
苹果的邀请函题为“未来iPhone OS先睹为快”,背景是一个数字“4”的倒影。在之前的媒体报道中,增加对第三方软件多任务运行的支持一直是iPhone OS 4.0最引人注目的一项更新。和去年的情况类似,苹果应当会在此次发布会上宣布iPhone OS 4的主要功能更新,并推出Beta版的SDK软件开发包供开发者提前准备第三方软件,但并不会立即向普通用户发布iPhone OS 4。预计在此次预览发布会后,iPhone OS 4将在今年6、7月份左右随第四代iPhone手机一同推出,至于第四代iPhone的硬件升级内容是否会在此次发布会上讨论尚且不得而知。
目前iPhone OS的最新版本为随iPad推出的iPhone OS 3.2。从去年年底开始,就已经有网站透露,他们在自己站点的访问记录中发现了使用iPhone OS 4.0的用户,显示苹果早已开始测试iPhone OS 4.0。日前又有网站报告,其访问记录中不仅出现了iPhone OS 4.0,还包括有iPhone OS 4.0.1甚至iPhone OS 4.1。也就是说,由于iPhone OS 4.0测试已久,苹果首次向普通用户公开的新操作系统可能已经跨越了这一版本号。
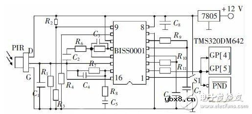
基于DSP的视频监控系统硬件电路设计
时间:2026-03-07
智能视频监控信号采集电路模块设计
时间:2026-03-07
基于视频监控系统图像传感器接口电路模块设...
时间:2026-03-07
智能视频监控终端电路模块设计 — 电路图天...
时间:2026-03-07
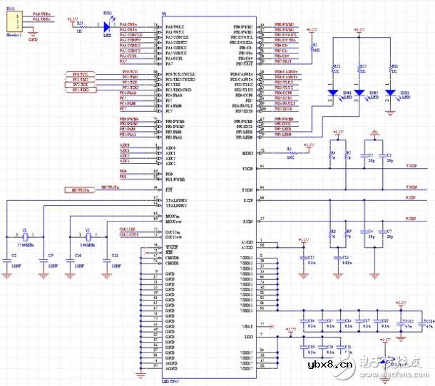
基于DSP的智能视频监控图像处理电路模块设计
时间:2026-03-07
基于Internet的智能视频远程监控系统电路模...
时间:2026-03-07
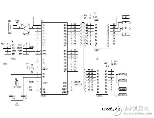
基于89C51单片机的智能视频监控系统控制电路...
时间:2026-03-07
一种嵌入式PC非标准键盘电路设计
时间:2026-03-07
基于DSP+FPGA多视频监控的采集电路模块
时间:2026-03-07
基于ARM9的远程无线智能视频监控电路 — 电...
时间:2026-03-07
什么是追踪缓存/转接卡?
时间:2026-03-06
瞬间抑制二极管(TVS)/瞬间抑制二极管(TVS)是...
时间:2026-03-04
什么是EPIC
时间:2026-03-06
什么是联合并行处理二级缓存?
时间:2026-03-06
什么是Speculative execution/SQRT?
时间:2026-03-06
什么是霍尔传感器
时间:2026-03-05
双向二极管起什么作用?
时间:2026-03-04
半导体材料的主要种类有哪些?
时间:2026-03-04
高级封装,高级封装是什么意思
时间:2026-03-04
数字比较器,数字比较器是什么意思
时间:2026-03-04