升压稳压器,升压稳压器基本原理是什么?
背景知识:
电力系统传输电能的升压变压器/降压变压器/配电变压器等。
升压变压器,用来升成10万V以上便于输送中的损耗,到用电户在用降压变压器降为380V的三相四线制,才能安全使用. 从交流发电机发的电先经升压变压器升成10kv及以上的高压(如35kv,110kv,220kv,500kv;距离越远需要的电压越高),有时候需经几级的变压器升压,然后经过输电线路送至目的地后再经降压变压器降至需要的电压,传输到家庭的为380/220v。
基本原理:
变压器作原理:利用导磁系数高的硅钢片插成铁芯组,初级绕组根据初级额定电压和铁心的截面积以及次级的输出电压计算出每伏匝数和初,次级的电流,就可以计算出绕组的截面积(换算出绕组的直径)。初级和次级要作好绝缘处理。绕好后要进行通电实验,合格后在做绝缘浸漆和烘干处理。
变压器有升压和降压两种,我生活周围的一般是降压变压器(为了得到合适的电压),发电厂外的是升压变压器(提高电压输送电能是为了减少电能的损耗)。原理是电磁感应原理。
四路抢答器电路图
时间:2026-03-05
投硬币裁决箱电路图
时间:2026-03-05
突然射击电路图
时间:2026-03-05
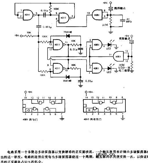
硬币正反面指示器电路图
时间:2026-03-05
游戏滚环或追逐电路图
时间:2026-03-05
30MHz AGC环路电路图
时间:2026-03-05
ACC电路图
时间:2026-03-05
ACK电路图
时间:2026-03-05
ADC电路图
时间:2026-03-05
AFC电路图
时间:2026-03-05
瞬间抑制二极管(TVS)/瞬间抑制二极管(TVS)是...
时间:2026-03-04
什么是霍尔传感器
时间:2026-03-05
半导体材料的主要种类有哪些?
时间:2026-03-04
高级封装,高级封装是什么意思
时间:2026-03-04
数字比较器,数字比较器是什么意思
时间:2026-03-04
常用整流二极管型号大全
时间:2026-03-04
S/HS固态继电器原理简介
时间:2026-03-04
稳压二极管的选用和代换
时间:2026-03-04
TVS器件的电特性有哪些
时间:2026-03-04
TVS二极管的分类/应用,TVS二极管的特点/选用...
时间:2026-03-04