如图所示,一般的555多谐振荡器,充放电时间的调节会相互影响。本电路采用镜像电流源的形式,使电容C的充电回路和放电回路独立分开,且保证充、放电的线性。当刚通电时,输出呈高电平,VT5、VT2、VT1导通,C通过VT1恒流充电,当充至2/3VDD阈值电平时,555复位,3脚转呈低电平,VT5截止。C通过VT3、IC内部的放电管放电,当放至1/3VDD时,555置位。周而复始,形成振荡。


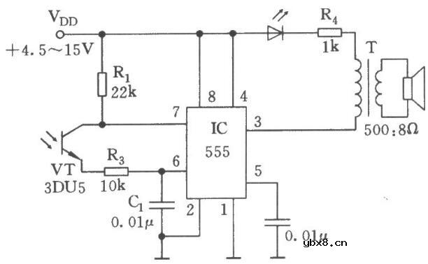
如图所示,本振荡器由555、R1、R3、C1和光敏三极管VT组成无稳态多谐式。振荡频率

光敏三极管VT的内阻随光照的变化而变化,当光照强时,呈低阻;光照弱时,呈高阻。因而,振荡频率也随光照的强弱而变化,频率范围可达1Hz~6.5kHz。本振荡器可用作盲人探路、天明报晓等场合。
相关热词:#555
无线遥控器电路图制作
时间:2026-03-07
无线电遥控门铃电路原理图
时间:2026-03-07
NE555过流保护检测器电路图
时间:2026-03-07
串联谐振升压原理
时间:2026-03-07
谐振回路的工作原理
时间:2026-03-07
电容降压电路原理
时间:2026-03-07
实用的电容降压电路
时间:2026-03-07
低成本的阻容降压电路原理图分析
时间:2026-03-07
阻容降压原理及电路
时间:2026-03-07
阻容降压电路的误区
时间:2026-03-07
彩灯电路
时间:2026-03-05
三相异步电动机原理
时间:2026-03-04
三相异步电动机的七种调速方式
时间:2026-03-04
转角测量电路
时间:2026-03-05
经典的正弦波发生电路
时间:2026-03-05
电动机单线远程正反转控制电路图
时间:2026-03-04
三相异步电动机的拆装详讲
时间:2026-03-04
USB转232电路图
时间:2026-03-04
电度表的工作原理
时间:2026-03-04
电风扇红外遥控器2
时间:2026-03-04