555正弦波信息发生器电路图
电工基础2026-03-04
555正弦波信息发生器电路图,振荡频率为20HZ-20KHZ.由555IC等组成。
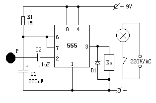
555触摸定时开关电路图
电工基础2026-03-04
555触摸定时开关电路图 集成电路IC1是一片555定时电路,在这里接成单稳态电路。平时由于触摸片P端无感应电压,电容C1通过555第7脚放电完毕,第3脚输出为低电平,继电器KS释放,电灯不亮。 当需要开灯时,用手触碰
用555移相触发调压器电路图
电工基础2026-03-04
用555移相触发调压器电路图
555密码电子锁
电工基础2026-03-04
555密码电子锁:采用二块NE555制成的电子密码锁。该电子锁有1200多种密码。
ne555管脚图及内部原理图功能
电工基础2026-03-04
ne555管脚图及内部原理图 DATASHEET NE555内部电路方框图: 内部含有两个电压比较器,一个分压器,一个RS触发器,一个放电晶体管和一个功率输出级。
NE555时基电路功能表
电工基础2026-03-04
NE555时基电路功能表
555定时器应用电路综述
电工基础2026-03-04
555定时器应用电路综述
由时基555构成的温控电路图
电工基础2026-03-04
由时基555构成的温控电路图
测试仪的详细线路图
时间:2026-03-04
场效应晶体管增益自动控制测试仪
时间:2026-03-04
处理地震仪信号的实时信号处理仪
时间:2026-03-04
带数字显示的电流放大测试仪
时间:2026-03-04
导相信号测试仪
时间:2026-03-04
电导计电路图
时间:2026-03-04
电容计电路图
时间:2026-03-04
峰值时间检测器
时间:2026-03-04
监控微波无线电传输线路导频音的稳定的交流...
时间:2026-03-04
可控振荡器的应用
时间:2026-03-04
三相异步电动机原理
时间:2026-03-04
由三个接触器组成的电动机正反转控制电路图
时间:2026-03-04
电动机单线远程正反转控制电路图
时间:2026-03-04
三相异步电动机的拆装详讲
时间:2026-03-04
三相异步电动机的七种调速方式
时间:2026-03-04
USB转232电路图
时间:2026-03-04
单相感应电机的启动开关电路图
时间:2026-03-04
用于压控振荡器的线性化电路图
时间:2026-03-04
多用途调压器电路图
时间:2026-03-04
放大机定时器
时间:2026-03-04