本报警器使用一只隐藏在门窗上的廉价压电蜂鸣器X1作为传感器。这种蜂鸣器具有双向压电效应:当在其两端加上电压时,它的压电陶瓷材料会产生机械变形而发出震动声音;反之,当它受到盗贼破门入室时产生的机械震动声音时,在其两端就会产生相应的输出电压。这里利用后一种特性,使它起到震动式传感器的作用。
如图所示,压电传感器X1产生的电压由晶体管T1等组成的第一级放大器放大约100倍。晶体管T2起检波的作用,其集电极电压只有50mv。由于R3将T2的基极直接接到电源正线,T2总是处于导通状态而不起放大作用。如果需要增大放大倍数,可将R3的上端改接到T2的集电极。晶体管T3提供约3倍的电压增益,并驱动脉冲检波器D1。当输入的脉冲电平足够高时,T4迅速向C6充电。脉冲过后,C6通过R9和R10及T5基射极组成的高阻抗电路缓慢放电,此放电时间决定了继电器的接通时间。因此C6所需的容量需要通过试验来决定,其值可在1uF-10uF之间选定。
压电传感器X1应使用屏蔽电缆接到本电路的输入瑞,而且电缆应尽可能短。如果出现射频干扰,则可如图中虚线所示,在T1基极与地之间加接一只旁路射频干扰的lnF瓷介电容器。使用中,已知震动源(如正常环境下产生的各种声音)应尽量远离传感器,以免引起误触发。当继电器不工作时,本电路耗电只有几个毫安。

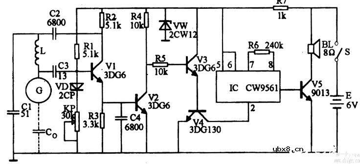
无论盗窃者是否戴手套,只要当手靠近本防盗报警器的感应器5~80mm,报警器就会立刻发出报警信号。电路如图所示。感应器在。图中用G表示,G与地间存在着一个分布电容Co,Co与L、C1、V1组成电容三点式振荡器,在由Co、C1、L组成的回路中,从交流通路上看C0与C1是串联的。当没有人靠近G时,Co较小,它与C1串联后,在Co两端的分压较大,而在C1两端的分压较小,Co两端较高的高频电压通过C3馈送到V1基极,足以维持三点式振荡器产生振荡。
此时R3上的压降较高,使V2导通,V3和V4组成的复合管截止,切断了四声模拟集成电路IC的电源,IC不工作,扬声器不发声。当有人靠近感应器G时,Co值增大,Co两端的高频分压变小,通过C3馈送到V1基极的电压不足以再维持V1产生振荡,V1立即停振。此时,R3上的电压降较小,V2截止,V3、V4导通,IC的②脚(Vss端)相当于接地,IC得电工作,③脚输出警笛声信号,经V5放大后由扬声器BL发出警报声。KP1用于调整感应灵敏度。

V1、V2、V3采用3DG6等,B为80~150;V4采用3DG130、3DG12或3DK4等。V5采用9013等。集成电路IC选用CW9561四声IC。VD1为2CP型M极管,Vw为2CW12稳压二极管。I用0.31mm的漆包线在外径为10mm的有机玻璃管上密绕20匝即成。感应器G用200X150mm的金属板制成,或将G点引线与金属门锁相连。调试时,先检查V3集电极电压是否在5V左右。若差距较大,应检查Vw是否完好;若正常即可开始调节灵敏度。旋动KP1使扬声器发声,然后将KP1稍调回一点使BL刚好不发声为止。此时用手去靠近铜片G时报警器应发声。手离开时警报器则停止发声即可使用。注意使用中灵敏度不宜调得过高,否则会使电路工作不稳定。
相关热词:#防盗报警
无线遥控器电路图制作
时间:2026-03-07
无线电遥控门铃电路原理图
时间:2026-03-07
NE555过流保护检测器电路图
时间:2026-03-07
串联谐振升压原理
时间:2026-03-07
谐振回路的工作原理
时间:2026-03-07
电容降压电路原理
时间:2026-03-07
实用的电容降压电路
时间:2026-03-07
低成本的阻容降压电路原理图分析
时间:2026-03-07
阻容降压原理及电路
时间:2026-03-07
阻容降压电路的误区
时间:2026-03-07
彩灯电路
时间:2026-03-05
三相异步电动机原理
时间:2026-03-04
三相异步电动机的七种调速方式
时间:2026-03-04
转角测量电路
时间:2026-03-05
经典的正弦波发生电路
时间:2026-03-05
电动机单线远程正反转控制电路图
时间:2026-03-04
三相异步电动机的拆装详讲
时间:2026-03-04
USB转232电路图
时间:2026-03-04
电度表的工作原理
时间:2026-03-04
电风扇红外遥控器2
时间:2026-03-04