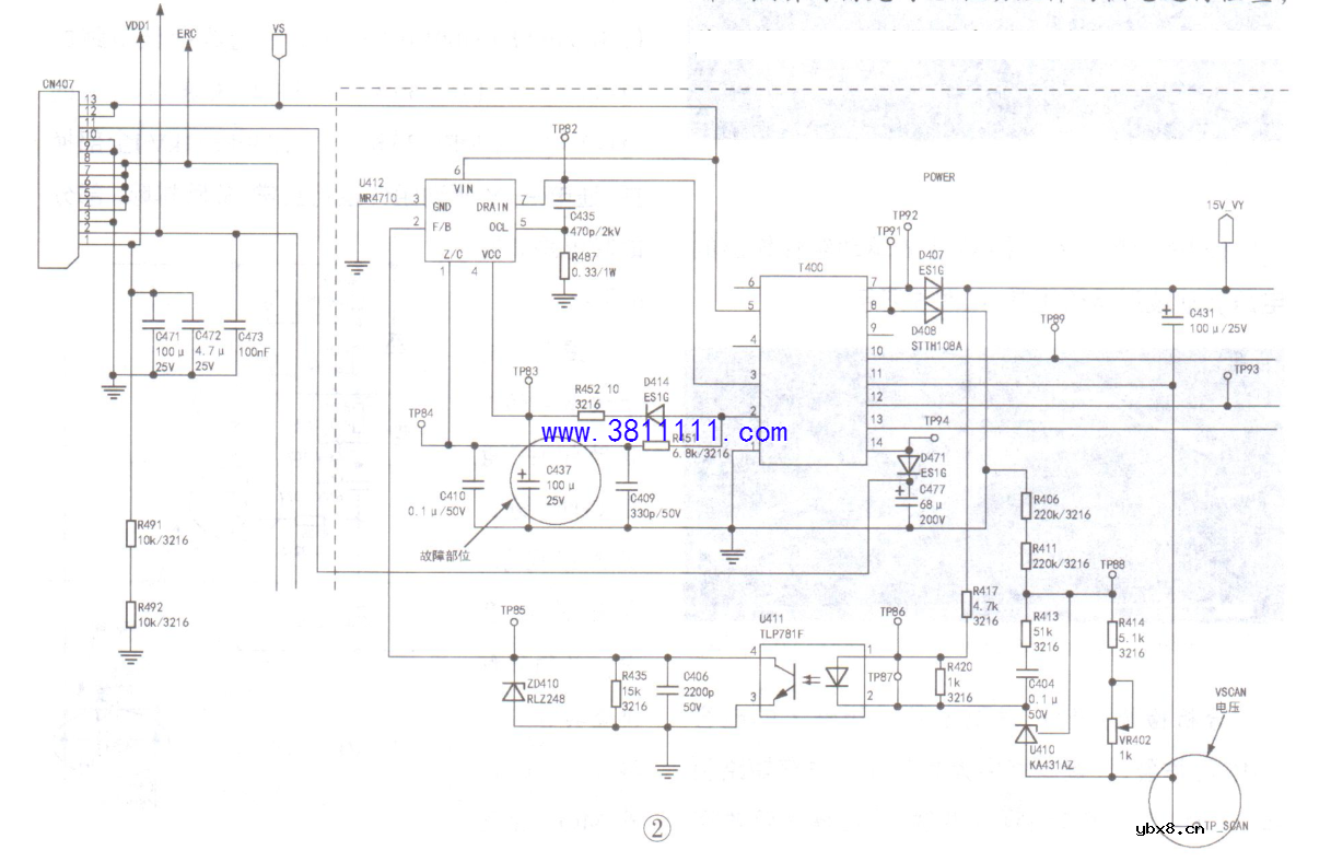
长虹3D50A3700ID型等离子电视(机芯为PS39,虹欧等离子屏型号为PM50H4000,Y驱动组件印制板号为JUQ6.672.00053698), 黑屏。 检修流程:(1)通过屏自检方式(断开主板所有连接线,将电源板插座CN801的①、③脚短接,把逻辑板插座CON1从左到右的后4个孔短接),确认屏及屏组件是否异常,或主板有问题; (2)屏自检后能正常显示自带画面,可判断为主板故障[主芯片U101(MST6M181VG)的工作条件是否满足,上屏线LVDS信号是否正常]; (3)屏自检后仍黑屏,说明屏或屏组件存在问题,需检查其相关电压是否正常。 分析检修:屏自检后依然黑屏,判定屏或屏组件有问题。检测屏组件(由于Y驱动组件要形成等离子屏工作中最重要的的电压驱动波形,并承担整个屏组件正常工作的流通枢纽,加之在形成各时段的电压驱动波形期间,电路上采用了很多IGBT、MOS管,它们都频繁地处于高频、高压的开/关状态,损坏率非常高,所以应重点检查Y驱动组件),上的VS.VA、VSCAN.VSET等工作电压,发现VSCAN电压约为4.3V (正常值为-190V),明显异常(偏低会使Y驱动组件电压驱动波形中下降斜坡的形成电路发生异常),可判定为Y驱动组件工作异常。因VSCAN电压来自于Y驱动组件的电源稳压电路,分析该电压的形成过程:由电源板(型号为HS300B-5HF02)正常工作输出的VS电压(207V),经Y驱动组件插座 CN407的12、13脚,-路送给电源振荡块U412(MR4710)的⑥脚(VIN),作为该芯片的启动电压,U412开始振荡工作;另一路送至开关变压器T400的⑤脚,此时T400的初级绕组有电流流过,在其②脚感应电动势,经整流二极管D414、限流电阻R452、滤波电容C437产生12V电压给U412的④脚(VCC),作为其供电。U412正常工作后,内部MOS管处于导通和截止交替状态,在截止期间由于互感作用,通过T400次级释放能量,在次级绕组感应脉冲电压,经D407整流、C431滤波,形成VSCAN电压-190V(用数字三用表电压挡测量,接地端为背板地,如图1所示)。
根据_上述分析,首先测量U412,发现其④脚电压只有6.8V,且一直跳变。断开U412的④脚测量电压仍然如此,顺路检查发现C437(100μF/25V)漏电,如图2所示,更换后测VSCAN电压,-190V已恢复,图像显示恢复正常。U412各引脚功能见表1。 表1 U412(MR4710)各脚功能表
提示:等离子电视发生故障时,为快速地锁定故障范围,须首先采用屏自检的方式来确定是屏或屏组件有故障;黑屏故障是等离子电视是最常见的故障,且Y驱动组件引起的故障概率非常高,所以黑屏时需先对Y驱动组件的供电进行检查,然后检测Y驱动组件各时段的电压驱动波形的形成电路,这样才能达到事半功倍的效果。 |
相关热词:#液晶维修
MOSFET的米勒平台电压很重要,1400字教你两...
时间:2026-03-09
GaN Systems易于驱动的GaN功率器件技术文档...
时间:2026-03-09
MDD辰达半导体MDD100N03D 先进Trench工艺N...
时间:2026-03-09
GaN驱动技术手册免费下载 氮化镓半导体功率...
时间:2026-03-09
Nexperia推出行业领先的D2PAK-7封装车规级1...
时间:2026-03-09
NMOS在充电桩上的应用
时间:2026-03-09
教科书上没讲清楚的MOS管开关重点今天全交代...
时间:2026-03-09
AOS新一代电源设计:基于FRD MOSFET的高效、...
时间:2026-03-09
如何用合科泰MOS管做一个高性能理想二极管控...
时间:2026-03-09
超越国际巨头:微碧半导体VBGQTA1101以顶尖...
时间:2026-03-09
电信 IPTV 常见故障排除方法与检修实例 (三...
时间:2026-03-08
三相电的相序 怎样才能分辨ABC
时间:2026-03-09
分享一下解决TV远程各种问题的工具方法,你...
时间:2026-03-09
格兰仕G90F25CN3LV-Q6(GO)变频 微波炉,按启...
时间:2026-03-09
九阳电压力锅维修过程
时间:2026-03-09
《洗衣机维修从入门到精通》电子书PPT之三
时间:2026-03-09
安装师傅却说:他只是帮忙的,并表示这个线...
时间:2026-03-09
电气电工专业就业前景,如果再给你一次机会...
时间:2026-03-09
电工师傅说,“干的农民工搬砖的活儿,挣的...
时间:2026-03-09
电工的16个中级电工基础知识,弄懂了再说升...
时间:2026-03-09