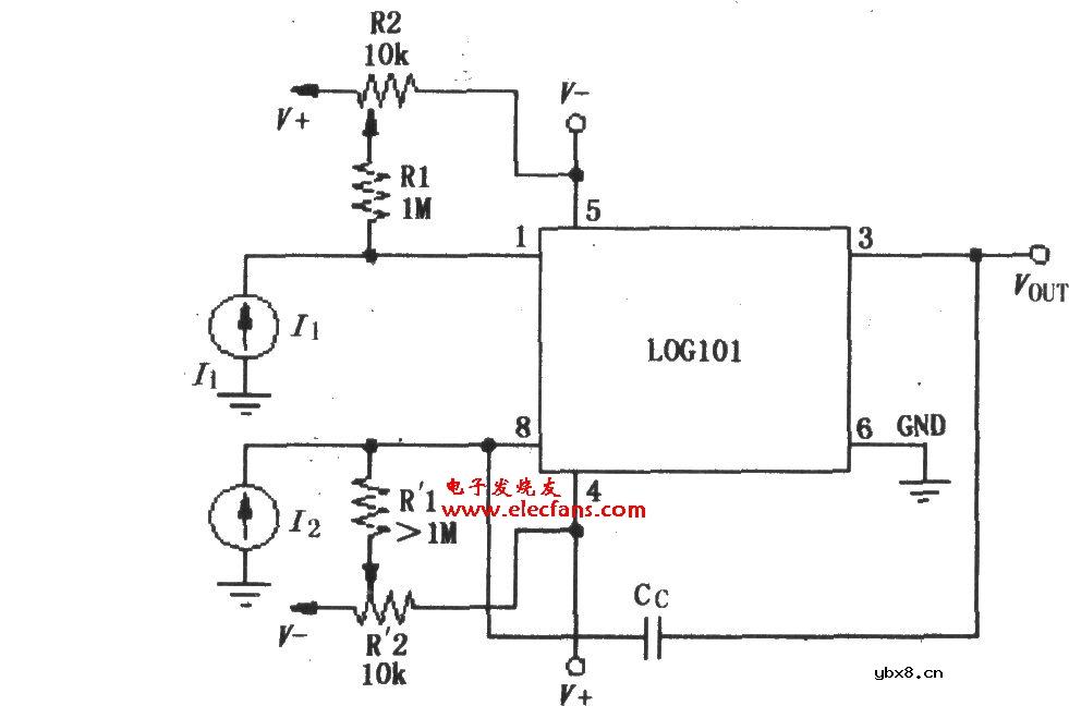
对数和对数比率放大器LOG101/104的偏流调零电路
如图所示为LOG101/104的偏流调零电路。LOG101/104输入电流I1、I2限制在100pA~3.5mA范围,输入电流大于3.5mA将导致非线性增大;输入电流小于100pA将由于输入偏流(典型值5pA)导致输入误差增大。±5V电源工作时,输入(I1+I2)的电流值限制在4.5mA。电路中采用两个10k电位器R2、R'2,对内部放大器A1、A2的输入偏流进行调零。内部放大器A1、A2是场效应晶体管(FET)输入,因此具有FET输入偏流特性,即温度每增加10℃输入偏流将增加一倍。

相关热词:#放大器
花盆干湿报警器
时间:2026-03-04
家电红外遥控器电路图
时间:2026-03-04
简易传声门铃电路
时间:2026-03-04
戒烟警告器电路
时间:2026-03-04
煤气熄灭报警器电路
时间:2026-03-04
模拟自然风电扇电路
时间:2026-03-04
闹钟间歇电铃电路
时间:2026-03-04
能记忆的音乐门铃电路
时间:2026-03-04
敲门告知电路
时间:2026-03-04
闪烁指示灯门铃电路
时间:2026-03-04
三相异步电动机原理
时间:2026-03-04
电风扇红外遥控器2
时间:2026-03-04
由三个接触器组成的电动机正反转控制电路图
时间:2026-03-04
电动机单线远程正反转控制电路图
时间:2026-03-04
三相异步电动机的拆装详讲
时间:2026-03-04
三相异步电动机的七种调速方式
时间:2026-03-04
USB转232电路图
时间:2026-03-04
lm324比较器电路图
时间:2026-03-04
二冲程柴油机的工作原理
时间:2026-03-04
涡轮发动机的工作原理
时间:2026-03-04