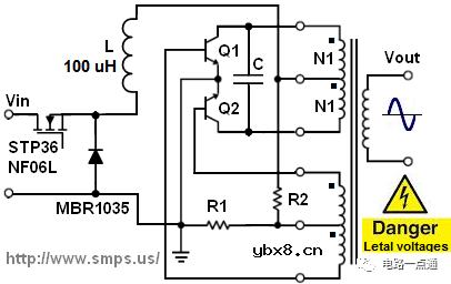
最简单的一个是称为Royer 振荡器的自由运行转换器。它在 1954 年由 Bright 和 Royer 申请了专利(我不知道为什么这个电路没有带有第二位合著者的名字)。零件清单示例:Q1、Q2-2N6487(或用于低功率应用的 ZTX849);R1=4.7 欧姆,R2=470 欧姆。
下面是它的工作原理。首次通电时,它会正向偏置两个晶体管。如果它们都处于导通状态,它们只会将变压器和输入源短路。然而,实际上,Q1 和 Q2 不会同时“导通”,因为它们的特性永远不会完全相同并且它们的基极驱动绕组异相。


审核编辑:刘清
为什么需要MOSFET栅极电阻?MOSFET栅极电阻...
时间:2026-03-05
NTC/PTC/CTR热敏电阻是什么?热敏电阻的使用...
时间:2026-03-05
解析单电阻采样的原理以及注意点
时间:2026-03-05
共源极放大器的设计方法
时间:2026-03-05
关于STM32WL LSE 添加反馈电阻后无法起振的...
时间:2026-03-05
如何直观地判断两级放大器的零点位置呢?
时间:2026-03-05
时序分析基本概念介绍<wire load model&...
时间:2026-03-05
电子元器件解析—电阻
时间:2026-03-05
3PEAK高压零漂放大器契合精密应用
时间:2026-03-05
助力绿色5G数字式电流和功率监测芯片-TPA62...
时间:2026-03-05
电阻的标称阻值和允许偏差
时间:2026-03-05
零欧电阻的功能
时间:2026-03-05
PPTC热敏电阻在电池中的应用
时间:2026-03-05
水泥电阻规格及型号
时间:2026-03-05
气敏电阻的型号命名方法是怎样的
时间:2026-03-05
国巨片式电阻缺货涨价之应对方案 你要知道电...
时间:2026-03-05
RI-80F型高压高阻玻璃釉膜电阻分压器
时间:2026-03-05
电阻器的分类
时间:2026-03-05
电阻的额定功率
时间:2026-03-05
电阻的高频特性
时间:2026-03-05