电阻串联常见作用
第一个作用是:阻抗匹配:
因为信号源的阻抗很低,跟信号线之间阻抗不匹配,串上一个电阻后,可以改善匹配情况,以减少反射,避免振荡等。
常见的阻抗匹配方法
1、使用变压器来做阻抗转换。
2、用串联/并联电容或电感的办法,这在调试射频电路时常使用。
3、使用串联/并联电阻的办法。一些驱动器的阻抗比较低,可以串联一个合适的电阻来跟传输线匹配,例如高速信号线,有时会串联一个几十欧的电阻。而一些接收器的输入阻抗则比较高,可以使用并联电阻的方法,来跟传输线匹配,例如,485总线接收器,常在数据线终端并联120欧的匹配电阻。
4、改变阻抗力。通过电容、电感与负载的串并联调整负载阻抗值,以达到源和负载阻抗匹配。
5、调整传输线。调整传输线是加长源和负载间的距离,配合电容和电感把阻抗力调整为零。此时信号不会发生发射,能量都能被负载吸收。高速PCB布线中,一般把数字信号的走线阻抗设计为50欧姆。一般规定同轴电缆基带50欧姆,频带75欧姆,对绞线(差分)为85-100欧姆。
第二个作用是:可以减少信号边沿的陡峭程度,从而减少高频噪声以及过冲等。
因为串联的电阻,跟信号线的分布电容以及负载的输入电容等形成一个RC电路,这样就会降低信号边沿的陡峭程度。大家知道,如果一个信号的边沿非常陡峭,含有大量的高频成分,将会辐射干扰,另外,也容易产生过冲。
通常,在高速信号线中才考虑使用这样的电阻。在低频情况下,一般是直接连接。
接下来将结合具体案例来讲解电阻串联的作用。
电阻串联具体应用
1、SPI信号线

SPI信号图
SPI信号上串联电阻,一般是几十欧姆左右,一般有如下几个作用:
1)阻抗匹配。因为信号源的阻抗很低,跟信号线之间阻抗不匹配,串上一个电阻后,可改善匹配情况,以减少反射。
2)SPI的速率较高,串联一个电阻,与线上电容和负载电容构成RC电路,减少信号陡峭,避免过冲,过冲有时候会损坏芯片GPIO,当然对EMI也有好处,尤其是高速电路。
3)调试方便,现在的芯片很多是BGA、QFN封装,串联一个电阻,调试时用示波器抓取波形方便。
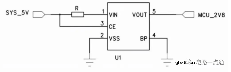
2、LDO输入端

LDO输入端图
当LDO的VIN absolute maximum接近电源电压时,这时候又不想换高规格的LDO,为了节省成本,这时可以串一个小阻值电阻,能吸收一部分电压和电流,当电源端出现更大的浪涌时,电阻会身先士卒,代价更小。
假设LDO击穿,VIN和GND短路,因为串联电阻R的存在,也会避免电源SYS_5V与GND的短路。
3、TVS前后串联电阻

TVS串联电阻图一

TVS串联电阻图二
TVS串联电阻一般有两种接法,第一个图电阻在TVS前,第二图电阻在TVS后,两种电路使用场景是不一样的。
先问大家一个问题,电阻和TVS哪个抗浪涌能力强?答案毋庸置疑,当然是TVS。
1)对第一个图来说,首先要考虑浪涌大小,如果不大,可以选择一个合适功率的电阻,电阻在TVS前面,会吸收很小一部分的电流,浪涌电流IPP小了之后,对应TVS的Vc(钳位电压)也会变小,对后端负载的保护更好。

2)对第二个图来说,TVS首先吸收大部分的浪涌电流,部分残压或者残流,会经过电阻R2,进行二次的分压限流,可以更好的保护后端负载。如果后端负载远大于R2,分压限流也就微乎其微了,R2其实也就没啥作用了。
审核编辑:刘清
为什么需要MOSFET栅极电阻?MOSFET栅极电阻...
时间:2026-03-05
NTC/PTC/CTR热敏电阻是什么?热敏电阻的使用...
时间:2026-03-05
解析单电阻采样的原理以及注意点
时间:2026-03-05
共源极放大器的设计方法
时间:2026-03-05
关于STM32WL LSE 添加反馈电阻后无法起振的...
时间:2026-03-05
如何直观地判断两级放大器的零点位置呢?
时间:2026-03-05
时序分析基本概念介绍<wire load model&...
时间:2026-03-05
电子元器件解析—电阻
时间:2026-03-05
3PEAK高压零漂放大器契合精密应用
时间:2026-03-05
助力绿色5G数字式电流和功率监测芯片-TPA62...
时间:2026-03-05
电阻的标称阻值和允许偏差
时间:2026-03-05
零欧电阻的功能
时间:2026-03-05
PPTC热敏电阻在电池中的应用
时间:2026-03-05
水泥电阻规格及型号
时间:2026-03-05
气敏电阻的型号命名方法是怎样的
时间:2026-03-05
国巨片式电阻缺货涨价之应对方案 你要知道电...
时间:2026-03-05
RI-80F型高压高阻玻璃釉膜电阻分压器
时间:2026-03-05
电阻器的分类
时间:2026-03-05
电阻的额定功率
时间:2026-03-05
电阻的高频特性
时间:2026-03-05