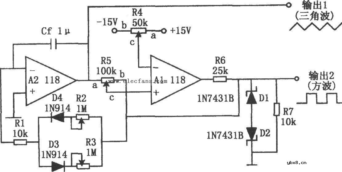
如图所示为稳定的方波和三角波发生电路。该电路的特点是:方波和三角波的频率几乎相等,正、负向振幅对称;三角波的正、负斜率不受振幅变化的影响,而且正、负斜率可以分别调节。此外,调节基线电平时不会改变输出波形。运算放大器A2为积分器,它由运放A1的输出方波驱动。方波的振幅由两个齐纳二极管D1、D2固定在5V。电位器R3调节三角波的正斜率,R2调节三角波的负斜率,R5调节三角波的振幅。如果只需要相同的正、负斜率,则D3、D4和R2可以省掉。运算放大器A1为比较器。参考电压由电位器R4调节,R4决定输出的基线电平,但是不会影响振幅和斜率。最高工作频率由运算放大器的转换速率、最大输出电流以及二极管的开关速度决定。
三角波振幅:

方波振幅:(由二极管D1、D2决定)

相关热词:
开关二极管,开关二极管是什么意思
时间:2026-03-04
开关二极管的作用的什么?
时间:2026-03-04
开关二极管的开关作用的实现原理
时间:2026-03-04
开关二极管的原理与参数
时间:2026-03-04
开关二极管的种类和参数有哪些?
时间:2026-03-04
开关二极管型号大全
时间:2026-03-04
PIN二极管,PIN二极管是什么意思
时间:2026-03-04
pin光电二极管原理
时间:2026-03-04
PIN光电二极管应用大全
时间:2026-03-04
PIN光电二极管的光电转换原理
时间:2026-03-04
三相异步电动机原理
时间:2026-03-04
电风扇红外遥控器2
时间:2026-03-04
由三个接触器组成的电动机正反转控制电路图
时间:2026-03-04
电动机单线远程正反转控制电路图
时间:2026-03-04
三相异步电动机的拆装详讲
时间:2026-03-04
三相异步电动机的七种调速方式
时间:2026-03-04
USB转232电路图
时间:2026-03-04
焊机工作原理方框图
时间:2026-03-04
碰焊机的原理及种类
时间:2026-03-04
电度表的工作原理
时间:2026-03-04