电鱼机制作线路图
电工基础2026-03-04
电鱼机制作线路图
分相放大电路分析实验电路图
电工基础2026-03-04
一、 演示内容1. 分相电路的组成、静态分析。 2. 分相电路的动态分析。 图6.3.1 分相放大电路分析实验电路图
分压式电流负反馈偏置放大电路分析实验电路图
电工基础2026-03-04
分压式电流负反馈偏置放大电路分析实验电路图 一、演示内容1. 放大电路的组成、元器件的作用。 2. 静态工作点的设置、波形失真的演示。3. 放大电路的动态分析。二、演示电路
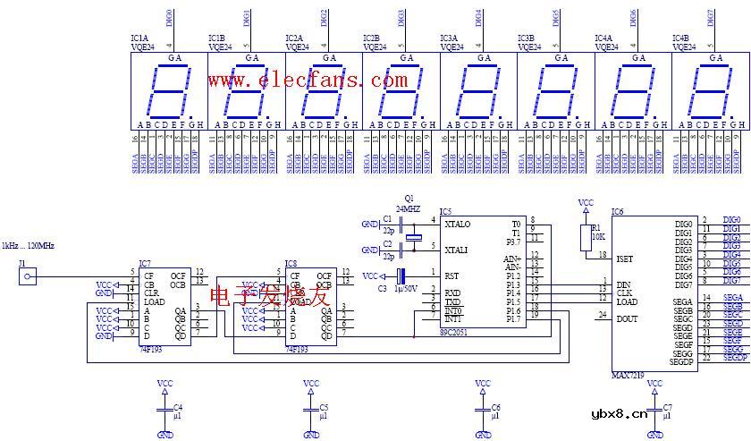
采用89C2051制作的120MHz频率计
电工基础2026-03-04
采用89c51制作的120MHz频率计 at89c2051中文资料pdf 74LS193中文资料.pdf
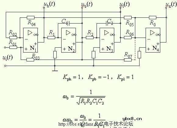
低通、高通、带通、带阻与全通滤波电路
电工基础2026-03-04
低通、高通、带通、带阻与全通滤波电路
差分运算电路的设计
电工基础2026-03-04
差分运算电路的设计
电工基础2026-03-04
开关延迟电路
对数电路
电工基础2026-03-04
对数电路 利用PN结的指数特性实现对数运算
反对数(指数)电路
电工基础2026-03-04
反对数电路
电工基础2026-03-04
单向可控硅型号 产品型号 主要参数 封装形式 通态额定平均Ir(A) 正反向击穿Vdrm/Vrrm(V) 触发Igr TSE169 1 ≥600 10-100uA T0-92 TSE100-8 1 ≥600 10-100uA T0-92 TSE02 2 ≥600 10-100uA T0-92M TSE2P4M 2 ≥600
单向可控硅应用电路
电工基础2026-03-04
单向可控硅应用电路
单向可控硅调光电路
电工基础2026-03-04
单向可控硅调光电路
双向可控硅调光电路图
电工基础2026-03-04
上图为双向可控硅调光电路图,其工作原理为:接通电源,220V经过灯泡VR4 R19对C23充电...由于电容二端电压是不能突变的...充电需要一定时间的...充电时间由VR4和R19大小决定...越小充电越快...越大充电越慢...当C2
单向可控硅调压电路
电工基础2026-03-04
单向可控硅调压电路 可控硅交流调压器由可控整流电路和触发电路两部分组成,其电路原里图如下图所示。 从图中可知,二极管D1—D4组成桥式整流电路,双基极二极管T1构成张弛振荡器作为可控硅的同步触发电路。当调压
直流调压电路图
电工基础2026-03-04
直流调压电路图
led调光电路图
电工基础2026-03-04
led调光电路图 led调光电路图设计说明:在制作印制电路板时,控制器与电源地必需严格分开,不能混用.
花盆干湿报警器
时间:2026-03-04
家电红外遥控器电路图
时间:2026-03-04
简易传声门铃电路
时间:2026-03-04
戒烟警告器电路
时间:2026-03-04
煤气熄灭报警器电路
时间:2026-03-04
模拟自然风电扇电路
时间:2026-03-04
闹钟间歇电铃电路
时间:2026-03-04
能记忆的音乐门铃电路
时间:2026-03-04
敲门告知电路
时间:2026-03-04
闪烁指示灯门铃电路
时间:2026-03-04
三相异步电动机原理
时间:2026-03-04
电风扇红外遥控器2
时间:2026-03-04
由三个接触器组成的电动机正反转控制电路图
时间:2026-03-04
电动机单线远程正反转控制电路图
时间:2026-03-04
三相异步电动机的拆装详讲
时间:2026-03-04
三相异步电动机的七种调速方式
时间:2026-03-04
USB转232电路图
时间:2026-03-04
lm324比较器电路图
时间:2026-03-04
二冲程柴油机的工作原理
时间:2026-03-04
涡轮发动机的工作原理
时间:2026-03-04