电子元件2026-03-07
在现代电子设备和系统中,电子变压器扮演着至关重要的角色,用于能量转换、隔离、逆变等关键应用。然而,随着高频和高速电子技术的不断发展,电子变压器所引发的电磁干扰(EMI)和电磁兼容性(EMC)问题也日益凸显
HI7159/7159A的工作原理
时间:2026-03-07
由HI7159A构成的智能数字电压表
时间:2026-03-07
由MAX134构成数字多用表的基本电路
时间:2026-03-07
由计数器构成的看门狗电路
时间:2026-03-07
由555定时器组成的看门狗电路
时间:2026-03-07
由MAX692专用芯片构成的看门狗电路
时间:2026-03-07
微型电机驱动电路实验分析
时间:2026-03-07
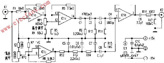
倒相式音调控制电路
时间:2026-03-07
基于CMOS双D触发器CD4013的脉冲宽度检测电路...
时间:2026-03-07
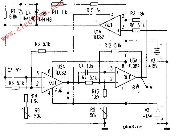
频率可调的移相式正弦波发生器电路
时间:2026-03-07
玻璃釉电容器的结构与特点
时间:2026-03-05
电容器入门教程
时间:2026-03-05
关于STM32WL LSE 添加反馈电阻后无法起振的...
时间:2026-03-05
暑期买元器件下单立减还送华为P30pro
时间:2026-03-05
电阻的标称阻值和允许偏差
时间:2026-03-05
使用过滤器电容器和诱导器来抑制受辐射的EM...
时间:2026-03-05
LED固晶机龙头直面“寒冬”
时间:2026-03-05
浅谈高压贴片电容分类与性能参数
时间:2026-03-05
聚四氟乙烯电容器的结构与特点
时间:2026-03-05
漆膜电容器的结构与特点
时间:2026-03-05