电工问答2026-03-07
AIT技术 AIT是指先进智能磁带,英文为Advanced Intelligent Tape,具有螺旋扫描、金属蒸发带等先进技术,AIT的数据保护性能比较突出,AIT已经发展到目前的AIT-3,目前开发AIT技术的索尼公司和
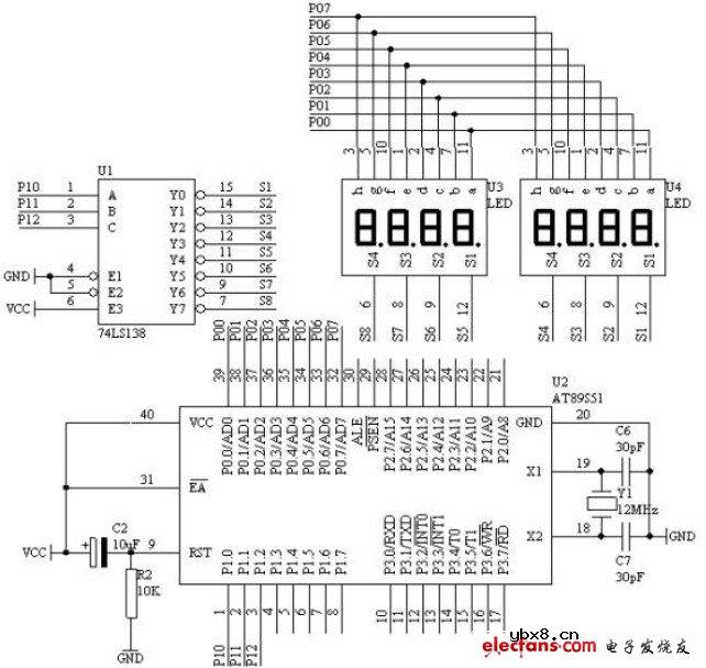
基于C51单片机的手动计数器设计电路图
时间:2026-03-07
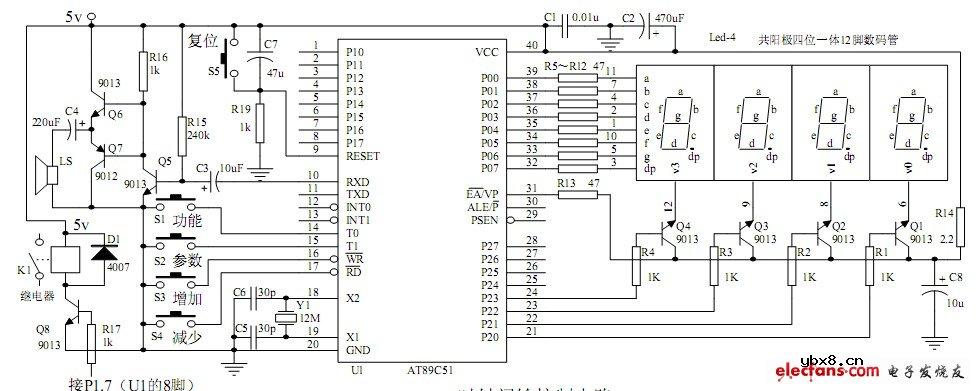
一键多功能按键识别技术原理图
时间:2026-03-07
出租车计价器硬件原理图
时间:2026-03-07
密码锁硬件电路原理图
时间:2026-03-07
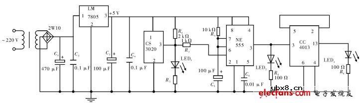
时钟闹铃控制电路原理图
时间:2026-03-07
广告彩灯电路原理图
时间:2026-03-07
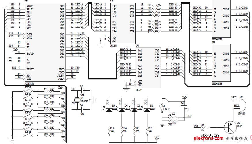
拉幕式数码显示电路原理图
时间:2026-03-07
红外线探测防盗报警器电路图
时间:2026-03-07
LCD与控制器接口电路图设计
时间:2026-03-07
自动照明电路原理图
时间:2026-03-07
什么是追踪缓存/转接卡?
时间:2026-03-06
瞬间抑制二极管(TVS)/瞬间抑制二极管(TVS)是...
时间:2026-03-04
什么是EPIC
时间:2026-03-06
什么是联合并行处理二级缓存?
时间:2026-03-06
什么是Speculative execution/SQRT?
时间:2026-03-06
什么是霍尔传感器
时间:2026-03-05
双向二极管起什么作用?
时间:2026-03-04
半导体材料的主要种类有哪些?
时间:2026-03-04
高级封装,高级封装是什么意思
时间:2026-03-04
数字比较器,数字比较器是什么意思
时间:2026-03-04