单片机控制的红外线防盗报警器
电工基础2026-03-04
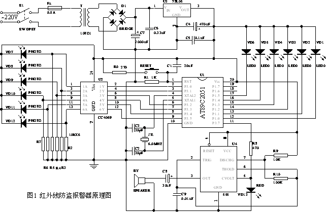
单片机控制红外线防盗报警器一、硬件电路电路原理图如图1所示。可将该电路分为以下三个部分。用当今最流行的AT89C2051单片机控制,体积小,成本低;用红外线收发管进行检测,安装隐蔽,不易被发现;探测信号采用脉冲
单片机报警器电路图
电工基础2026-03-04
单片机报警器电路图 程序清单如下:ORG0000HAJMPMAIN ;转向主程序ORG000BH ;定时器T0中断入口LJMPBJ;转向中断服务程序ORG0030HMAIN:MOVSP,#50H;设置堆栈栈底MOVR1,#0AH;设置循环计数器初值MOVP3,#00H;设
花盆干湿报警器
时间:2026-03-04
家电红外遥控器电路图
时间:2026-03-04
简易传声门铃电路
时间:2026-03-04
戒烟警告器电路
时间:2026-03-04
煤气熄灭报警器电路
时间:2026-03-04
模拟自然风电扇电路
时间:2026-03-04
闹钟间歇电铃电路
时间:2026-03-04
能记忆的音乐门铃电路
时间:2026-03-04
敲门告知电路
时间:2026-03-04
闪烁指示灯门铃电路
时间:2026-03-04
三相异步电动机原理
时间:2026-03-04
电风扇红外遥控器2
时间:2026-03-04
由三个接触器组成的电动机正反转控制电路图
时间:2026-03-04
电动机单线远程正反转控制电路图
时间:2026-03-04
三相异步电动机的拆装详讲
时间:2026-03-04
三相异步电动机的七种调速方式
时间:2026-03-04
USB转232电路图
时间:2026-03-04
lm324比较器电路图
时间:2026-03-04
二冲程柴油机的工作原理
时间:2026-03-04
涡轮发动机的工作原理
时间:2026-03-04