556构成的4小时定时电路
电工基础2026-03-04
556组成的4小时定时电路 下图是由556双时基电路组成的长达4h定时电路。在556双时基电路中间接入N8281分频器网络,不必用大体积电容器,即可得到相当长的时间延时。第一个l/2(556)以振荡器的方式工作,其周期为l/f
分段式定时电路图
电工基础2026-03-04
分段式定时电路图 由时基芯片NE555组成.
新型长时间定时电路
电工基础2026-03-04
新型长时间定时电路图: 由时基芯片NE555组成.
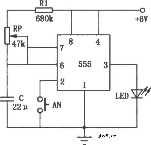
555组成的60秒定时电路
电工基础2026-03-04
555组成的60秒定时电路
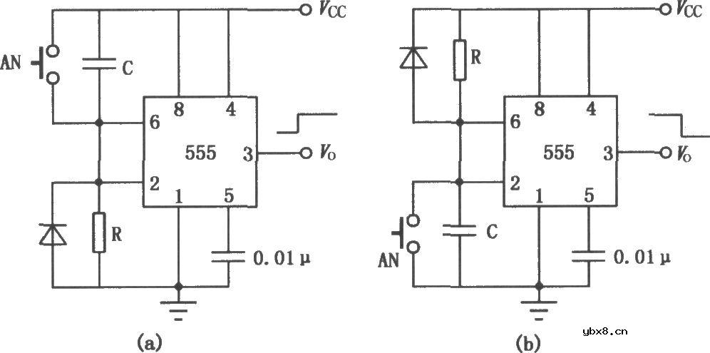
555组成的定时电路
电工基础2026-03-04
555组成的定时电路 ne555电路大全
精密定时电路
电工基础2026-03-04
精密定时电路 此精密定时电路由时基芯片555组成,电路简单。
东芝牌RAC-45NHE型空调机电路图
时间:2026-03-04
杜鹃牌XPB2-3型洗衣机电路图
时间:2026-03-04
干衣机电路图
时间:2026-03-04
古桥牌KC-30DE型牌窗式空调机电路图
时间:2026-03-04
好乐牌KC-42R型窗式空调机电路图
时间:2026-03-04
佳乐牌KCS-12型窗式空调机电路图
时间:2026-03-04
江南牌KC-20型窗式空调器电路图
时间:2026-03-04
江南牌KCD-31型窗式空调器电路图
时间:2026-03-04
金羚牌XQB30-5型全自动洗衣机电路图
时间:2026-03-04
日产AW B310B型洗衣机控制器电路图
时间:2026-03-04
三相异步电动机原理
时间:2026-03-04
电度表的工作原理
时间:2026-03-04
三相异步电动机的拆装详讲
时间:2026-03-04
三相异步电动机的七种调速方式
时间:2026-03-04
电风扇红外遥控器2
时间:2026-03-04
由三个接触器组成的电动机正反转控制电路图
时间:2026-03-04
电动机单线远程正反转控制电路图
时间:2026-03-04
USB转232电路图
时间:2026-03-04
东芝牌RAC-45NHE型空调机电路图
时间:2026-03-04
农用自动供水器原理图
时间:2026-03-04