8 8点阵汉字显示电路及程序
电工基础2026-03-04
8 8点阵汉字显示电路原理: 内部原理: 8 8点阵汉字显示程序: /**********************************************************//**/** 模 块 名: -------------------BootLoader.C-----------------------------
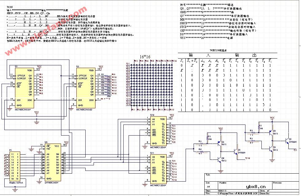
16 16点阵原理图
电工基础2026-03-04
16 16点阵原理图 点击上图,可以放大查看。16 16点阵采用了74HC138 ,74HC74等芯片。
东芝牌RAC-45NHE型空调机电路图
时间:2026-03-04
杜鹃牌XPB2-3型洗衣机电路图
时间:2026-03-04
干衣机电路图
时间:2026-03-04
古桥牌KC-30DE型牌窗式空调机电路图
时间:2026-03-04
好乐牌KC-42R型窗式空调机电路图
时间:2026-03-04
佳乐牌KCS-12型窗式空调机电路图
时间:2026-03-04
江南牌KC-20型窗式空调器电路图
时间:2026-03-04
江南牌KCD-31型窗式空调器电路图
时间:2026-03-04
金羚牌XQB30-5型全自动洗衣机电路图
时间:2026-03-04
日产AW B310B型洗衣机控制器电路图
时间:2026-03-04
三相异步电动机原理
时间:2026-03-04
电度表的工作原理
时间:2026-03-04
三相异步电动机的拆装详讲
时间:2026-03-04
三相异步电动机的七种调速方式
时间:2026-03-04
电风扇红外遥控器2
时间:2026-03-04
由三个接触器组成的电动机正反转控制电路图
时间:2026-03-04
电动机单线远程正反转控制电路图
时间:2026-03-04
USB转232电路图
时间:2026-03-04
东芝牌RAC-45NHE型空调机电路图
时间:2026-03-04
农用自动供水器原理图
时间:2026-03-04