澳柯码WQP4-5电脑式家用全自动洗碗机电路图
电工基础2026-03-04
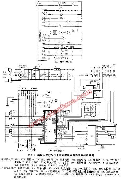
澳柯码WQP4-5电脑式家用全自动洗碗机电路图
澳柯码WQP系列家用全自动洗碗机电路图
电工基础2026-03-04
澳柯码WQP系列家用全自动洗碗机电路图
海尔WQP4-2家用全自动洗碗机电路图
电工基础2026-03-04
海尔WQP4-2家用全自动洗碗机电路图
美的WP5A全自动洗碗机电路图
电工基础2026-03-04
美的WP5A全自动洗碗机电路图
美的WP5B全自动洗碗机电路图
电工基础2026-03-04
美的WP5B全自动洗碗机电路图
小天鹅WQP8-4501全自动洗碗机电路图
电工基础2026-03-04
小天鹅WQP8-4501全自动洗碗机电路图
海尔WQP6-2B家用全自动洗碗机电路图
电工基础2026-03-04
海尔WQP6-2B家用全自动洗碗机电路图
洗碗机电路图
电工基础2026-03-04
洗碗机电路图 上图为美的WP5B全自动洗碗机电路图,XP为电源插头,SA1,SA2为电源开关,SQ为门控开关,FU为熔断器,HL1为电源指示灯,SB1,SB2选择开关,HL2为模式指示灯,SB3,SB7为程控器程序开关,ED为亮碟剂分配
海尔WQP3-1家用全自动洗碗机电路图
电工基础2026-03-04
海尔WQP3-1家用全自动洗碗机电路图
东芝牌RAC-45NHE型空调机电路图
时间:2026-03-04
杜鹃牌XPB2-3型洗衣机电路图
时间:2026-03-04
干衣机电路图
时间:2026-03-04
古桥牌KC-30DE型牌窗式空调机电路图
时间:2026-03-04
好乐牌KC-42R型窗式空调机电路图
时间:2026-03-04
佳乐牌KCS-12型窗式空调机电路图
时间:2026-03-04
江南牌KC-20型窗式空调器电路图
时间:2026-03-04
江南牌KCD-31型窗式空调器电路图
时间:2026-03-04
金羚牌XQB30-5型全自动洗衣机电路图
时间:2026-03-04
日产AW B310B型洗衣机控制器电路图
时间:2026-03-04
三相异步电动机原理
时间:2026-03-04
电度表的工作原理
时间:2026-03-04
三相异步电动机的拆装详讲
时间:2026-03-04
三相异步电动机的七种调速方式
时间:2026-03-04
电风扇红外遥控器2
时间:2026-03-04
由三个接触器组成的电动机正反转控制电路图
时间:2026-03-04
电动机单线远程正反转控制电路图
时间:2026-03-04
USB转232电路图
时间:2026-03-04
东芝牌RAC-45NHE型空调机电路图
时间:2026-03-04
农用自动供水器原理图
时间:2026-03-04