电子元件2026-03-06
干式变压器产品选型详细介绍 一、干式变压器的温度控制系统 干式变压器的安全运行和使用寿命,很大程度上取决于变压器绕组绝缘的安全可靠。绕组温度超过绝缘耐受温度使绝缘破坏,是导致变压器不能正常工作的
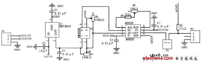
不外接电阻的采样保持放大器电路
时间:2026-03-07
四阶巴特沃斯滤波电路
时间:2026-03-07
极零相消电路
时间:2026-03-07
基线消除电路
时间:2026-03-07
ADSL数据语音分离器
时间:2026-03-07
霍尔电流传感器电路
时间:2026-03-07
光伏电源和录像监控控制电路
时间:2026-03-07
电弧产生原理图
时间:2026-03-07
具有保护功能的延时渐亮灯
时间:2026-03-07
NPN晶体管共发电路
时间:2026-03-07
玻璃釉电容器的结构与特点
时间:2026-03-05
电容器入门教程
时间:2026-03-05
关于STM32WL LSE 添加反馈电阻后无法起振的...
时间:2026-03-05
暑期买元器件下单立减还送华为P30pro
时间:2026-03-05
电阻的标称阻值和允许偏差
时间:2026-03-05
使用过滤器电容器和诱导器来抑制受辐射的EM...
时间:2026-03-05
LED固晶机龙头直面“寒冬”
时间:2026-03-05
浅谈高压贴片电容分类与性能参数
时间:2026-03-05
聚四氟乙烯电容器的结构与特点
时间:2026-03-05
漆膜电容器的结构与特点
时间:2026-03-05