电工问答2026-03-06
我对胆王WE300B的一些看法 提起WE300B直热式三极管,在音响圈还真是无人不知、无人不晓,虽然有人没听过胆机大有人在,但也会知道WE300B的大号,300B这几个字往往也能朗朗上口,国外甚至有人称之为「本世纪最伟大的
热敏电阻微型电动机稳速电路图
时间:2026-03-07
压电晶体声控电灯电路图
时间:2026-03-07
自制导电海绵式压力传感器应用电路图
时间:2026-03-07
SFG-15NIA力传感器经典电路图
时间:2026-03-07
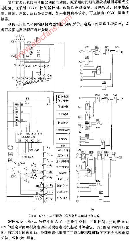
LOGO!应用延边三角形联结电动机控制电路图
时间:2026-03-07
LOGO!应用于电动机星.三角起动器电路图
时间:2026-03-07
双华ZNB-P起动单相电动机电路图
时间:2026-03-07
正存ZLDB用于电动机星.三角起动器电路图
时间:2026-03-07
普乐特MAM-B星.三角起动器电路图
时间:2026-03-07
普乐特MAM-B直接起动电路图
时间:2026-03-07
什么是追踪缓存/转接卡?
时间:2026-03-06
瞬间抑制二极管(TVS)/瞬间抑制二极管(TVS)是...
时间:2026-03-04
什么是EPIC
时间:2026-03-06
什么是联合并行处理二级缓存?
时间:2026-03-06
什么是Speculative execution/SQRT?
时间:2026-03-06
什么是霍尔传感器
时间:2026-03-05
双向二极管起什么作用?
时间:2026-03-04
半导体材料的主要种类有哪些?
时间:2026-03-04
高级封装,高级封装是什么意思
时间:2026-03-04
数字比较器,数字比较器是什么意思
时间:2026-03-04