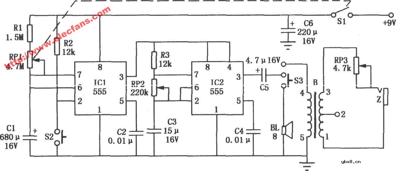
555袖珍电子定时催眠按摩器,由时基IC NE555组成。

可满足人们休闲保健需要。电路由三部分组成:定时器电路、催眠器电路、按摩器电路。
相关热词:#555
东芝牌RAC-45NHE型空调机电路图
时间:2026-03-04
杜鹃牌XPB2-3型洗衣机电路图
时间:2026-03-04
干衣机电路图
时间:2026-03-04
古桥牌KC-30DE型牌窗式空调机电路图
时间:2026-03-04
好乐牌KC-42R型窗式空调机电路图
时间:2026-03-04
佳乐牌KCS-12型窗式空调机电路图
时间:2026-03-04
江南牌KC-20型窗式空调器电路图
时间:2026-03-04
江南牌KCD-31型窗式空调器电路图
时间:2026-03-04
金羚牌XQB30-5型全自动洗衣机电路图
时间:2026-03-04
日产AW B310B型洗衣机控制器电路图
时间:2026-03-04
三相异步电动机原理
时间:2026-03-04
电度表的工作原理
时间:2026-03-04
电动机单线远程正反转控制电路图
时间:2026-03-04
三相异步电动机的拆装详讲
时间:2026-03-04
三相异步电动机的七种调速方式
时间:2026-03-04
USB转232电路图
时间:2026-03-04
半球牌调温电炉电路图
时间:2026-03-04
荣悦CE-2001B型定时调温豪华电焗炉电路图
时间:2026-03-04
能说会唱的生日蜡烛电路图
时间:2026-03-04
电风扇红外遥控器2
时间:2026-03-04