当前位置:首页 > 电工基础 > 正文

555精确定时电路

来源:网络  发布者:电工基础  发布时间:2026-03-04 21:07
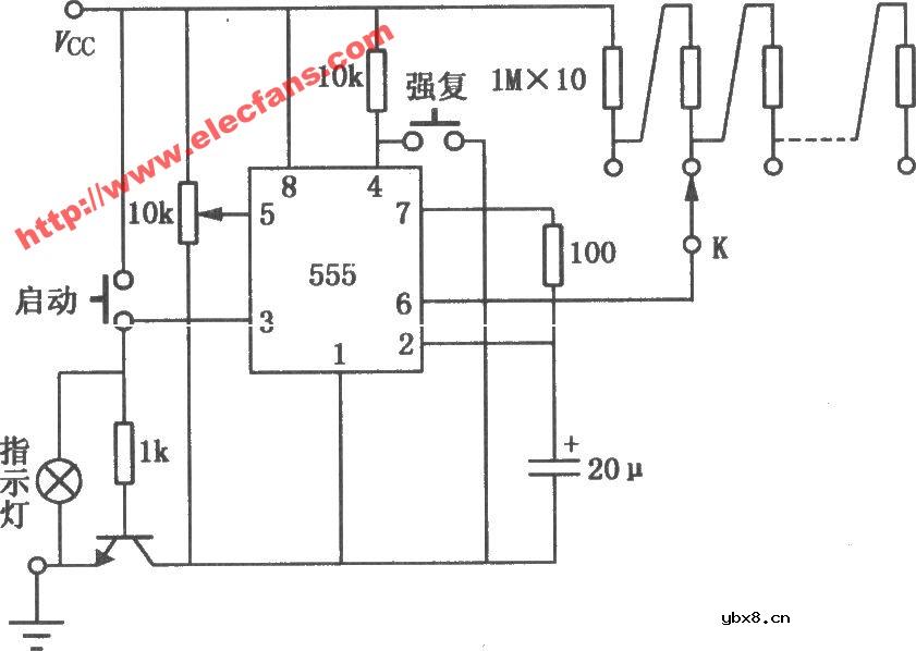
555精确定时电路,由时基芯片NE555构成。

555精确定时电路

555精确定时电路,由时基芯片NE555构成。

相关热词:#555