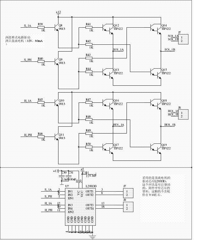
两组直流电机驱动电路图,一个是用桥式驱动的,还有一个是用集成电路L293DD驱动的,是用来驱动两个直流电机(12V,80mA).另外L293DD,输入端是否可以把IN1,IN2(IN3,IN4)分别接一起由一个单片机口来控制。

相关热词:#直流电机
东芝牌RAC-45NHE型空调机电路图
时间:2026-03-04
杜鹃牌XPB2-3型洗衣机电路图
时间:2026-03-04
干衣机电路图
时间:2026-03-04
古桥牌KC-30DE型牌窗式空调机电路图
时间:2026-03-04
好乐牌KC-42R型窗式空调机电路图
时间:2026-03-04
佳乐牌KCS-12型窗式空调机电路图
时间:2026-03-04
江南牌KC-20型窗式空调器电路图
时间:2026-03-04
江南牌KCD-31型窗式空调器电路图
时间:2026-03-04
金羚牌XQB30-5型全自动洗衣机电路图
时间:2026-03-04
日产AW B310B型洗衣机控制器电路图
时间:2026-03-04
三相异步电动机原理
时间:2026-03-04
电度表的工作原理
时间:2026-03-04
电动机单线远程正反转控制电路图
时间:2026-03-04
三相异步电动机的拆装详讲
时间:2026-03-04
三相异步电动机的七种调速方式
时间:2026-03-04
USB转232电路图
时间:2026-03-04
电风扇红外遥控器2
时间:2026-03-04
由三个接触器组成的电动机正反转控制电路图
时间:2026-03-04
东芝牌RAC-45NHE型空调机电路图
时间:2026-03-04
半球牌调温电炉电路图
时间:2026-03-04