
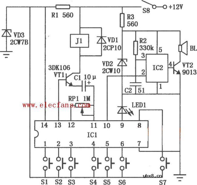
汽车电子密码锁的电路原理如图所示。ICl为专用密码锁集成电路5G058,它的①~⑥脚分别外接按键开关到电源正极,这是6个有效输入键,开锁必须遵照Sl~S6这一顺序;⑧脚所接按键开关S7是假键输入端,可以随意接一个或几个按键混插在键盘中以假乱真;⑨脚是按键指示端,每个按键连通期间都会使外接发光二极管LEDl发光,确认该键输入为有效;⑩脚是报警输出端,如果不是按Sl~S6顺序输入或超过有效开锁时间,则输出高电平,触发IC2防盗报警语言集成电路SR8803A工作而使扬声器BL发出语言报警。有效开锁时间由电容C1与电位器RPl的大小来决定。
超级密码锁电路

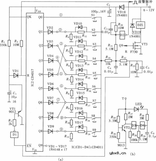
如图所示的密码锁电路由十进制计数器CD4017组成,由它的十个输出端通过连接组合,组成的密码组数可达1亿组以上,可称为超级密码锁,其电路组成如图所示。电路组成较简单,由1只CD4017和10个密码输入开关以及相关的附属电路组成。

密码锁电路图
相关热词:#密码
稳压二极管的选用和代换
时间:2026-03-04
瞬间抑制二极管(TVS)/瞬间抑制二极管(TVS)是...
时间:2026-03-04
TVS器件的电特性有哪些
时间:2026-03-04
TVS器件的主要电参数有哪些?
时间:2026-03-04
TVS二极管的分类/应用,TVS二极管的特点/选用...
时间:2026-03-04
快恢复二极管,快恢复二极管是什么意思
时间:2026-03-04
快恢复二极管的结构/特点/检测方法
时间:2026-03-04
快恢复二极管参数大全
时间:2026-03-04
快恢复二极管的作用是什么?
时间:2026-03-04
阶跃恢复二极管,阶跃恢复二极管是什么意思
时间:2026-03-04
三相异步电动机原理
时间:2026-03-04
电风扇红外遥控器2
时间:2026-03-04
由三个接触器组成的电动机正反转控制电路图
时间:2026-03-04
电动机单线远程正反转控制电路图
时间:2026-03-04
三相异步电动机的拆装详讲
时间:2026-03-04
三相异步电动机的七种调速方式
时间:2026-03-04
USB转232电路图
时间:2026-03-04
焊机工作原理方框图
时间:2026-03-04
碰焊机的原理及种类
时间:2026-03-04
电度表的工作原理
时间:2026-03-04