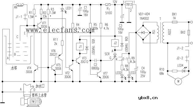
自动供水电路图

上图为水塔自动供水保护电路:一般家用小功率水泵供水电路没有保护措施,在实际运行中会因逆止阀日久漏水,使水泵在无水情况下运行而烧坏电机,或因自控电路失灵造成水满溢出。笔者针对上述缺陷在电路中增加了自动保护电路,真正实现了水塔无人管理,电路安全可靠,现介绍如下。
电路见附图。VT1、VT2、VT3、J1等是抽水电路主要元件,工作原理读者不难自行分析。缺水保护电路主要由探针D和VT4组成,若抽水时间间隔过久,管内存水漏至D以下,则水回路A、D开路,VT4饱和导通,使VT1基极钳位于低电位。当水塔水位降至下限B以下时,由于VT1基极为低电平而不能导通,故无法抽水。只有给泵内加水且水位超过D点使VT4截止时,才能解除对VT1的控制,抽水电路才能正常抽水,即VT1导通,VT2截止,VT3导通,J1吸合,J1-2闭合,水泵抽水。如逆止阀不漏水,管内水位在D点以上,则当水塔水位降至B点以下时,水泵自动抽水。VT5、VT6、LED1组成泵缺水提示电路。
VT7、SCR、J2等组成防水满溢出电路。若抽水电路控制失灵,水位升至上限C仍不关机,当水位继续升高至E点时,则A、E接通,VT7由导通转为截止,可控硅SCR导通,J2吸合,J2-2断开水泵电源,抽水停止,J2-1闭合,LED2亮,提示溢水关机。
水塔探针采用镀铬金属或铝材制作,引线焊点应高于水面以防水蚀。塑料上水管内的A针、D针用镀锌长木螺钉拧入构成,焊牢引线以减小电阻。在塑料管管壁开一洞,用强力胶斜粘一去底塑料瓶,拧上瓶盖,以备加水之用。
恒压供水电路图

相关热词:#供水
稳压二极管的选用和代换
时间:2026-03-04
瞬间抑制二极管(TVS)/瞬间抑制二极管(TVS)是...
时间:2026-03-04
TVS器件的电特性有哪些
时间:2026-03-04
TVS器件的主要电参数有哪些?
时间:2026-03-04
TVS二极管的分类/应用,TVS二极管的特点/选用...
时间:2026-03-04
快恢复二极管,快恢复二极管是什么意思
时间:2026-03-04
快恢复二极管的结构/特点/检测方法
时间:2026-03-04
快恢复二极管参数大全
时间:2026-03-04
快恢复二极管的作用是什么?
时间:2026-03-04
阶跃恢复二极管,阶跃恢复二极管是什么意思
时间:2026-03-04
三相异步电动机原理
时间:2026-03-04
电风扇红外遥控器2
时间:2026-03-04
由三个接触器组成的电动机正反转控制电路图
时间:2026-03-04
电动机单线远程正反转控制电路图
时间:2026-03-04
三相异步电动机的拆装详讲
时间:2026-03-04
三相异步电动机的七种调速方式
时间:2026-03-04
USB转232电路图
时间:2026-03-04
焊机工作原理方框图
时间:2026-03-04
碰焊机的原理及种类
时间:2026-03-04
电度表的工作原理
时间:2026-03-04