电子元件2026-03-07
变压器被誉为电力系统的“心脏”,其在电网中发挥着不可替代的作用,变压器一旦发生故障,对电网将造成非常大的影响。
电子元件2026-03-07
变压器中零序电流与负序电流有什么区别 变压器中零序电流和负序电流是两种不同的电流形式,它们在变压器的运行过程中扮演着不同的角色和作用。本文将从定义、特点、产生原因、影响、检测方法等方面对这两种电流进
电子元件2026-03-07
主变零序电流保护和主变电压电流保护的区别及各自的作用 主变零序电流保护和主变电压电流保护是变压器保护中两种常见的保护方式。它们的作用是监测变压器的工作状态,及时发现异常情况,避免损坏变压器设备,确保
多款双向晶闸管调光电路
时间:2026-03-07
电机正反转电路图讲解
时间:2026-03-07
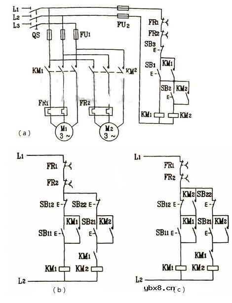
三相电机顺序启动控制电路图
时间:2026-03-07
三种日光灯调光电路图分享
时间:2026-03-07
三相电动机启动控制电路图
时间:2026-03-07
采用运放实现的单按键开关电路图
时间:2026-03-07
自锁电子开关电路图讲解
时间:2026-03-07
四路互锁开关电路讲解
时间:2026-03-07
双重互锁正反转实物图
时间:2026-03-07
双重连锁正反转控制电路图
时间:2026-03-07
玻璃釉电容器的结构与特点
时间:2026-03-05
电容器入门教程
时间:2026-03-05
关于STM32WL LSE 添加反馈电阻后无法起振的...
时间:2026-03-05
暑期买元器件下单立减还送华为P30pro
时间:2026-03-05
电阻的标称阻值和允许偏差
时间:2026-03-05
使用过滤器电容器和诱导器来抑制受辐射的EM...
时间:2026-03-05
LED固晶机龙头直面“寒冬”
时间:2026-03-05
浅谈高压贴片电容分类与性能参数
时间:2026-03-05
聚四氟乙烯电容器的结构与特点
时间:2026-03-05
漆膜电容器的结构与特点
时间:2026-03-05