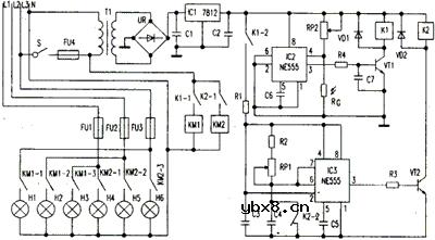
室外灯光自动控制电路原理图
电工基础2026-03-04
合上电源开关S,220V市电经熔断器FU4至变压器T1初级,次级输出约16V交流加至整流桥UR整流后,经稳压集成块IC1稳压,电容C1、C2滤波为控制电路提供工作电源。IC2、IC3为NE555集成块,IC2与外围元件组成光控电路,IC
自动调零电路图
电工基础2026-03-04
换气扇自动控制器电路图
电工基础2026-03-04
换气扇自动控制器电路图
电子自动供水器电路图
电工基础2026-03-04
电子自动供水器电路图:由5G555组成
自动爆光定时器
电工基础2026-03-04
自动爆光定时器
磁控自动开关电路图
电工基础2026-03-04
磁控自动开关电路图:能在晚上开门时自动开灯,并延时一段时间又自动熄灭,即方便又节能。
抽油烟机自动控制器电路图
电工基础2026-03-04
抽油烟机自动控制器电路图
电饭煲自动控制器电路图
电工基础2026-03-04
电饭煲自动控制器电路图
电烙铁自动调温电路图
电工基础2026-03-04
电烙铁自动调温电路图
测试仪的详细线路图
时间:2026-03-04
场效应晶体管增益自动控制测试仪
时间:2026-03-04
处理地震仪信号的实时信号处理仪
时间:2026-03-04
带数字显示的电流放大测试仪
时间:2026-03-04
导相信号测试仪
时间:2026-03-04
电导计电路图
时间:2026-03-04
电容计电路图
时间:2026-03-04
峰值时间检测器
时间:2026-03-04
监控微波无线电传输线路导频音的稳定的交流...
时间:2026-03-04
可控振荡器的应用
时间:2026-03-04
三相异步电动机原理
时间:2026-03-04
由三个接触器组成的电动机正反转控制电路图
时间:2026-03-04
电动机单线远程正反转控制电路图
时间:2026-03-04
三相异步电动机的拆装详讲
时间:2026-03-04
三相异步电动机的七种调速方式
时间:2026-03-04
USB转232电路图
时间:2026-03-04
单相感应电机的启动开关电路图
时间:2026-03-04
用于压控振荡器的线性化电路图
时间:2026-03-04
多用途调压器电路图
时间:2026-03-04
放大机定时器
时间:2026-03-04